onsemi CI contrôleurs PFC à pôle totem CrM NCP1680
Les CI contrôleurs de correction du facteur de puissance (PFC) à pôle totem et mode de conduction critique (CrM) NCP1680 onsemi sont conçus pour alimenter la topologie PFC à pôle totem sans pont. Le PFC à pôle totem sans pont se compose de deux pieds pôle totem : un pied de commutation rapide alimentée à la fréquence de commutation PWM et un deuxième pied qui fonctionne à la fréquence de ligne CA. Cette topologie élimine le pont de diode présent à l'entrée d'un circuit PFC conventionnel, permettant une amélioration significative du rendement et de la densité de puissance.Une commande de boucle numérique compensée en interne utilise une architecture CCM à temps actif constante avec commutation en creux. La limite de courant cycle par cycle est réalisée sans capteur à effet Hall. Les composants NCP1680 fonctionnent sur une plage comprise entre 90 VCA et 265 VCA jusqu'à 350 W. À 300 W et une entrée secteur de 230V AC, une efficacité de 99 % peut être atteinte.Ces dispositifs en boîtier SOIC-16 sont conformes aux réglementations en matière d'efficacité énergétique et sont sans plomb et sans halogénure. Les CI contrôleurs NCP1680 d'onsemi sont parfaitement utilisés dans les applications de correction du facteur de puissance et d'alimentation hors ligne.
Caractéristiques
- La topologie PFC à pôle totem élimine le pont de diode d'entrée
- Fonctionnement en mode de conduction critique (CRM)
- Mode de conduction discontinue (DCM) avec allumage en creux sous faible charge
- Repli de fréquence en DCM avec une fréquence minimale de 25 kHz
- Mode saut en cas de très faible charge
- Système exclusif de détection de courant
- Compensation de boucle de tension numérique
- Circuit de surveillance de ligne CA
- Détection de phase CA
- Facteur de puissance quasi unitaire dans tous les modes de fonctionnement
- Indicateur PFC OK
- Performance optimisée sur tous les niveaux de puissance
- Type de boîtier SOIC-16
- Niveau de sensibilité à l'humidité (MSL) 1
- Sans plomb et sans halogénure
Applications
- Sources d’alimentation industrielles
- Alimentation de 5 G télécoms
- Alimentation réseau
- Alimentations de console de jeu
- Alimentations TV UHD
- Alimentations informatiques
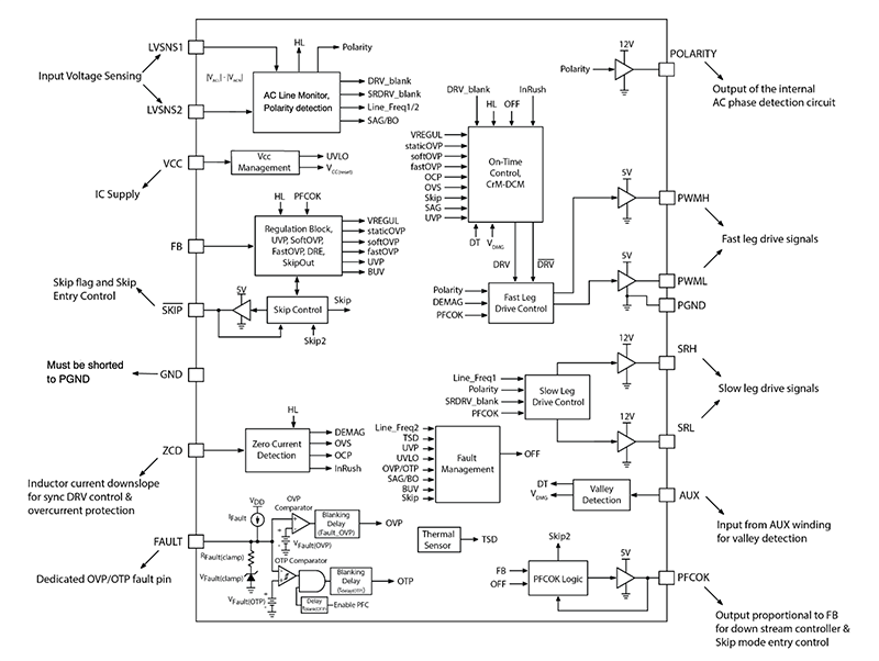
Schéma fonctionnel
Publié le: 2021-06-24
| Mis à jour le: 2026-04-03
