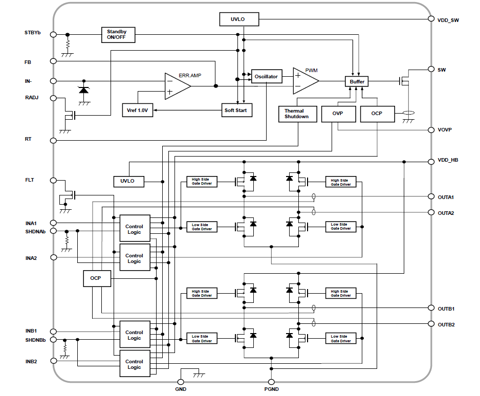
Nisshinbo ND1130 Dual H-Bridge Driver with Boost Converter
Nisshinbo Micro Devices ND1130 Dual H-Bridge Driver implements a Bi-CMOS process with a boost converter. The device utilizes a Li-ion battery or 5V power supply to boost voltage and drive small piezoelectric actuators and haptic devices operating two H-bridge drivers. The boost converter offers a built-in soft-start operation to limit the inrush current at power-on.The Nisshinbo ND1130 dual H-bridge driver supports independent signal input between channels, improving microcontroller controllability. The I/O signal frequency is up to 300kHz, and in the event of an error, it can output a FAULT signal.
Features
- Boost converter block
- 40V (max) output switch voltage
- 1.5A (min) switching current
- PWM control
- 2.7V to 5.5V operating voltage
- 380kHz to 1MHz oscillation frequency
- H-bridge driver block
- Internal 2-channel H-bridge driver
- 200mA (min) over current protection
- 7.0V to 35V operating voltage
- 300kHz (max) input frequency
- General
- Standby function
- Under voltage lockout
- Built-in thermal shutdown
- Fault indicator output
- WLCSP-30-ZA1 package
Applications
- Small piezo actuators
- Haptics devices
Typical Application
Block Diagram
Publié le: 2025-02-25
| Mis à jour le: 2025-03-07
