Nexperia Diodes de protection DES CAN-FD PESD2CANFD2x-Qx
Les diodes de protection DES CAN-FD PESD2CANFDx-Qx Nexperia sont des boîtiers homologués AEC-Q101 de 0,48 mm de haut sans plomb qui offrent des flancs mouillables latéraux pour une inspection optique automatisée pendant la production. Les composants QC sont logés dans un boîtier de 1,4 mm x 1,2 mm DFN1412D-3 (SOT8009), tandis que les composants QB sont fournis dans un boîtier de 1,1 mm x 1 mm DFN1110D-3 (SOT8015). Les boîtiers disposent d’un cadre en plomb interne élargi pour dissiper la chaleur et comprennent un dissipateur thermique et une plaquette thermique. La série PESD2CANFDx-Qx offre une tension de serrage de 33 V à 1 A, une faible résistance dynamique de 0,7 Ω et de bons paramètres de commutation RF, avec un affaiblissement d’insertion en mode mixte de +20 dB à 300 MHz pour une excellente intégrité de signal. Ces dispositifs satisfont les exigences techniques CAN-FD et dépassent les exigences de la norme AEC-Q101.Les diodes de protection DES CAN-FD PESD2CANFDx-Qx Nexperia sont idéales pour protéger les interfaces CAN, CAN-FD, FlexRay et SENT (Single Edge Nibble Transmission) dans les environnements automobiles.Caractéristiques
- Boîtiers de 0,48 mm de haut à flancs mouillables latéraux
- Tension de serrage de 3,3 V à 1 A
- Résistance dynamique de 0,7 Ω
- Affaiblissement d’insertion en mode mixte +20 dB à 300 MHz
- Le cadre interne du fil de sortie comprend un dissipateur thermique et une pastille thermique
- Satisfait les exigences techniques CAN-FD
- Homologué AEC-Q101
Applications
- Lignes de réseau embarquées dans les environnements automobiles
- CAN FD
- CAN
- FlexRay
- Le protocole SENT (Single Edge Nibble Transmission)
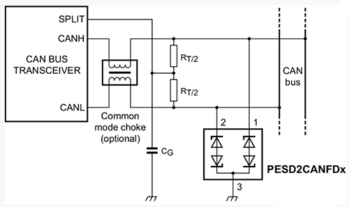
Schéma de circuit d’application
Publié le: 2020-12-03
| Mis à jour le: 2025-11-20
