Nexperia Commutateurs de charge NPS100x

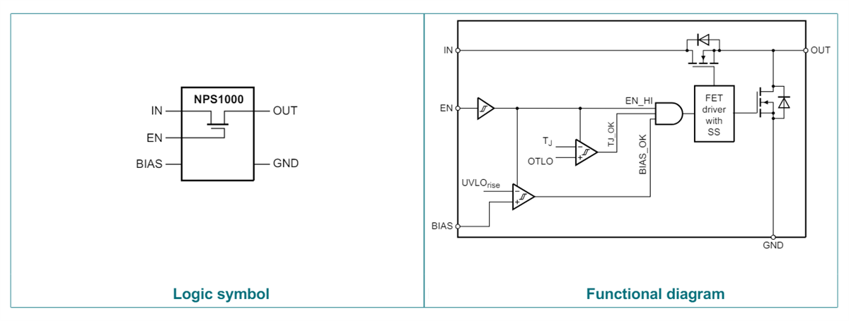
Nexperia NPS100x Load Switches are low-voltage, single-channel load switches with a low RDSON (11mΩ) to reduce IR drop and power loss. The NPS1000 supports up to 0.6A RMS current and a peak current of 1.5A. The switches are controlled by an EN input compatible with 1.2V logic levels. When the load switches are enabled, the internal switch charges the output capacitor with a controlled inrush current. When the switches are disabled, an 8Ω on-chip resistor discharges the output to ground, preventing it from floating.

Le commutateur de charge NPS1000 de Nexperia est alimenté par une broche de polarisation séparée, prévue pour une exploitation de 2,3 V à 5,0 V. Le NPS1000 dispose d'une protection contre les surchauffes qui met le composant hors tension lorsque la température de la jonction interne est supérieure la valeur de consigne (Tth(OTLO)). À ce moment-là, le commutateur interne est désactivé et l'élément de décharge de sortie est activé pour décharger le condensateur de sortie. Le commutateur de charge peut être réactivé en basculant la broche EN.

Le NPS1000 est proposé dans un boîtier ultra-petit, compact,à échelle de puce niveau wafer avec huit picots, un corps de 1,42 mm × 0,72 mm × 0,465 mm, et est développé pour une exploitation sur une plage de température de jonction allant de -40 °C à 105 °C.

Caractéristiques

  • Tension d'exploitation de 0,5 V à 1,0 V
  • Faible RDSON de 11 mΩ standard à 25 °C, 16 mΩ (maximum) à 85 °C
  • La logique d'activation prend en charge les niveaux logiques de 1,2 V
  • Capacité de courant de 0,6 A RMS et de 1,5  A en crête
  • Démarrage contrôlé de <200µs de l'activation à l'amélioration complète du FET de puissance
  • Sortie tolérante aux courts-circuits lorsqu'elle est alimentée par une alimentation électrique limitée à un courant de 4,5 A.
  • Arrêt en cas de surchauffe et protection UVLO de l'entrée
  • Décharge de 8 Ω lorsqu'il est désactivé
  • Boîtier à faible encombrement
  • Protection DES :
    • HBM : ANSI/ESDA/JEDEC JS-001 classe 2 dépasse 2 000 V
    • CDM : ANSI/ESDA/JEDEC JS-002 classe C2a dépasse 500 V
  • Spécifié pour TJ = -40 °C à +105 °C

Applications

  • Téléphones portables
  • Wearables

Schéma fonctionnel

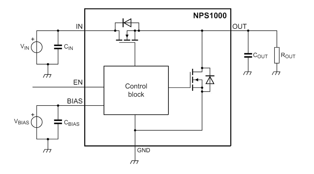
Schéma du circuit d'application - Nexperia Commutateurs de charge NPS100x

Schéma fonctionnel

Schéma de principe - Nexperia Commutateurs de charge NPS100x
Publié le: 2024-06-17 | Mis à jour le: 2025-08-10