Nexperia Multiplexeurs de bus I²C à 8 canaux NCA9547A
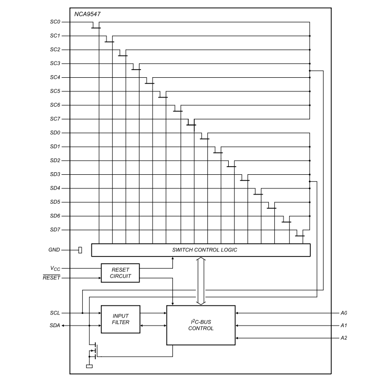
Les multiplexeurs de bus I2C à 8 canaux NCA9547A de Nexperia sont des dispositifs octaux de conversion bidirectionnelle gérés par le bus I2C. Les paires SCL/SDA en amont se déploient en huit paires/canaux en aval. Un seul canal SCn/SDn peut être sélectionné à la fois, spécifié par le contenu du registre de contrôle programmable. Le dispositif se met en marche avec le canal zéro connecté, permettant une communication immédiate entre le contrôleur et les dispositifs en aval (cibles) sur ce canal.Une entrée de réinitialisation active BASSE permet au NCA9547A de se rétablir dans une situation où l'un des bus I2C en aval est bloqué dans un état BAS. Tirer la broche de réinitialisation à l'état bas réinitialise la machine à états du bus I2C et désélectionne tous les canaux à l'exception du canal zéro, ainsi le contrôleur peut reprendre le contrôle du bus.
Les portes de passage du commutateur mettent en œuvre la broche VCC, qui peut être utilisée pour limiter la haute tension maximale que le NCA9547A de Nexperia transmettra. Cette caractéristique permet d’utiliser différentes tensions de bus sur chaque paire, de sorte que des composants de 1,8 V, 2,5 V ou 3,3 V peuvent communiquer avec des composants de 5 V sans protection supplémentaire.
Les résistances pull-up externes augmentent le niveau de tension souhaité pour chaque canal. Les broches E/S sont tolérantes à 6 V.
Caractéristiques
- Multiplexeurs 1 sur 8 de conversion bidirectionnelle
- Logique d'interface de bus I2C ; compatible avec les normes SMBus
- Entrée de réinitialisation (reset) actif BAS
- Trois broches d'adresse permettent d'ajouter jusqu'à huit dispositifs sur le bus I2C
- Sélection du canal via le bus I2C, un canal à la fois
- Démarrage avec tous les canaux désactivés, sauf le canal zéro, qui est connecté
- Multiplexeurs à faible Ron
- Permet la conversion de niveau de tension entre les bus 1,8 V, 2,5 V, 3,3 V et 5 V
- Pas de régime transitoire lors du démarrage
- Prend en charge l’insertion à chaud
- Courant de veille faible
- Plage de tension d’alimentation de fonctionnement de 1,65 V à 5,5 V
- entrées 6V-tolerant
- Fréquence d’horloge de 0 Hz à 400 kHz
- Les tests de verrouillage sont effectués conformément à la norme JEDEC JESD78 qui dépasse 100 mA
- Deux boîtiers proposés : TSSOP24 et HWQFN24
- Protection ESD :
- HBM : ANSI/ESDA/JEDEC JS-001 classe 2 dépasse 2 kV
- CDM : ANSI/ESDA/JEDEC JS-002 classe C 3 dépasse 1 kV
- Spécifié de -40 °C à +85 °C et de -40 °C à +125 °C
Applications
- Dispositifs alimentés par batterie
- Capteurs
- Pavés numériques
- Boutons-poussoirs
- Contrôle LED pour gérer la luminosité des LED
Application simplifiée
Schéma de principe
