Monolithic Power Systems (MPS) MPQ2123 Synchronous Buck Converters
Monolithic Power Systems (MPS) MPQ2123 Synchronous Buck Converters are step-down converters with configurable frequency (300kHz to 2.2MHz). These converters operate from a 2.7V to 6V input voltage range and can generate an output voltage as low as 0.606V. The MPQ2123 synchronous buck converters can achieve up to 2A continuous output current with peak current control for excellent transient response and efficiency. These converters feature a 45μA quiescent current, low shutdown current, remote Enable (EN) control, Power Good (PG) indicator, thermal shutdown, and external Soft Start (SS).The MPQ2123 synchronous buck converters integrate 40mΩ high-side MOSFET (HS-FET) and a 30mΩ synchronous rectifier for high efficiency without an external Schottky diode. These converters can be configured to operate in Advanced Asynchronous Modulation (AAM) mode or Forced
Continuous Conduction Mode (FCCM) under light-load conditions. The MPQ2123 synchronous buck converters are used in the applications such as automotive infotainment, automotive LEDs and lamps, battery-powered devices, automotive telematics, and industrial supplies.
Features
- 2.7V to 6V operating input range
- Adjustable output from 0.606V
- Up to 2A continuous output current
- High-efficiency synchronous mode control
- 40mΩ and 30mΩ internal power MOSFETs
- Cycle-by-cycle Over-Current Protection (OCP)
- Up to 2.2MHz configurable frequency
- Up to 2.2MHz external sync clock
- 45μA quiescent current
- Low shutdown current
- 100% duty cycle operation
- Internal compensation mode
- Selectable AAM mode or FCCM
- Short-Circuit Protection (SCP)
- VIN Under-Voltage Lockout (UVLO)
- VOUT Over-Voltage Protection (OVP)
- External SS
- Remote EN control
- PG indicator
- Thermal shutdown
- Available in a QFN-11 (2mm x 3mm) package
- Available in AEC-Q100 grade 1
Applications
- Automotive infotainment systems
- Automotive clusters
- Battery-powered devices
- Industrial supplies
- Automotive telematics
Application Circuit Diagram
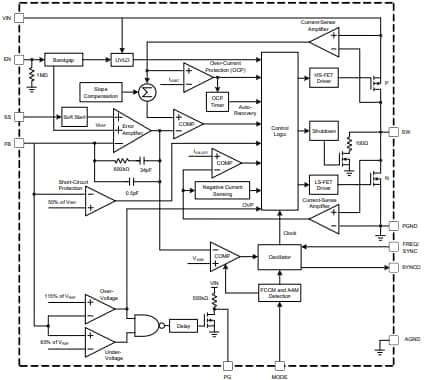
Functional Block Diagram
Publié le: 2022-04-14
| Mis à jour le: 2022-08-01
