Monolithic Power Systems (MPS) MP3367 & MPQ3367 6-Channel Boost WLED Drivers

Monolithic Power Systems (MPS) MP3367 and MPQ3367 6-Channel Boost WLED Drivers are step-up converters designed to drive white LED arrays as backlighting in small to midsized LCD panels. The MP3367 and MPQ3367 use peak current mode as pulse-width modulation (PWM) control architecture to regulate the boost converter. Six current source channels are applied to the LED cathode to adjust the LED brightness. The MP3367 and MPQ3367 regulate the current in each LED string to the value set by an external current setting resistor, with 2.5% current regulation accuracy between strings. 

The MP3367 and MPQ3367 employ a low on-resistor MOSFET and a low headroom voltage, designed for higher efficiency. These devices have a standard I2C digital interface for ease of use. The switching frequency can be programmed by a resistor, I2C interface, or external clock.

The MP3367 and MPQ3367 provide analog, PWM, and mixed dimming mode with a PWM input. Dimming mode can be selected with the I2C interface or the MIX/AD pin. They also have a phase shift function to eliminate noise during PWM dimming.

Robust protections are included to guarantee the safe operation of these devices. Protection modes include over-current protection (OCP), over-voltage protection (OVP), over-temperature protection (OTP), LED short, and open protection. There is also an option that automatically decreases the LED current at higher temperatures.

The Monolithic Power Systems (MPS) MP3367 and MPQ3367 are available in QFN24 and TSSOP28-EP packages for design flexibility. 

Variants

  • MP3367: Consumer Grade
  • MPQ3367-AEC1: AEC-Q100 Qualified for use in automotive applications

Features

  • 5V to 36V input voltage range
  • Six channels with 150mA (maximum) per channel
  • Internal 100mΩ, 50V MOSFET
  • Programmable Up to 2.2MHz fSW
  • External Sync SW function
  • Multi-dimming operation mode through PWM input, including:
    • Direct PWM dimming
    • Analog dimming
    • Mix dimming with 25%/12.5% transfer point
  • 15000:1 dim ratio in PWM dim at fPWM ≤ 200Hz
  • 200:1 dim ratio at analog dim through PWM dim signal input
  • Excellent EMI performance, frequency spread spectrum
  • I2C interface
  • Phase shift function for PWM dimming
  • 5% current matching
  • Cycle-by-cycle current limit
  • Disconnect VOUT from VIN
  • Optional LED current auto-decrement at high temperatures
  • LED short/open, OTP, OCP, and inductor short protections
  • Programmable LED short threshold
  • Programmable OVP threshold
  • Fault indicator signal output
  • -40°C to +125°C operating temperature range
  • Package options 
    • QFN24
    • TSSOP28-EP
  • AEC-Q100 qualified (MPQ3367-AEC1 only)
  • Lead-free, halogen-free, and RoHS compliant

Applications

  • Tablets and notebooks
  • Small LCD TVs
  • Automotive displays
  • Portable terminal displays

Videos

Block Diagram

Block Diagram - Monolithic Power Systems (MPS) MP3367 & MPQ3367 6-Channel Boost WLED Drivers

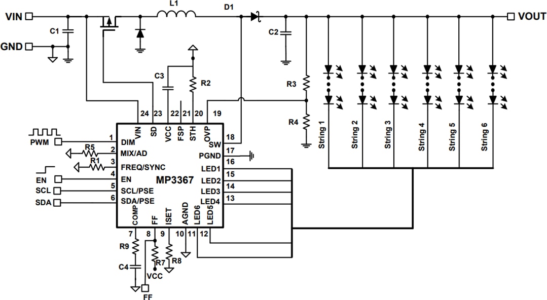
Typical Application Circuit

Application Circuit Diagram - Monolithic Power Systems (MPS) MP3367 & MPQ3367 6-Channel Boost WLED Drivers

Package Outline (QFN24)

Mechanical Drawing - Monolithic Power Systems (MPS) MP3367 & MPQ3367 6-Channel Boost WLED Drivers

Package Outline (TSSOP28-EP)

Mechanical Drawing - Monolithic Power Systems (MPS) MP3367 & MPQ3367 6-Channel Boost WLED Drivers
Publié le: 2020-10-28 | Mis à jour le: 2024-10-22