Microchip Technology SBC à pilote de grille de moteur brushless ATA6847
Les puces de base de système à pilote de grille de moteur brushless triphasé ATA6847 de Microchip Technology sont conçues pour le contrôle de moteur brushless, en utilisant la technologie SOI avancée. La SBC forme une unité de contrôle de moteur à CC brushless en combinant un microcontrôleur et six MOSFET de puissance discrets. En utilisant six entrées parallèles dédiées, les unités de pilote de grille (GDU) peuvent être gérées indépendamment, prenant en charge les opérations de rapport cyclique de 0 % à 100 %, en raison des performances de deux pompes de charge pour pilotes de grille côté bas et côté haut. De plus, le circuit fournit des régulateurs de tension à faible perte de niveau de 5 V et 3,3 V, deux amplificateurs opérationnels de détection de courant, un module de détection d'EMF arrière intégré et un chien de garde à fenêtre. Le microcontrôleur gère les SBC ATA6847 de Microchip en utilisant une interface SPI.Caractéristiques
- Généralités
- Plage de tension d'alimentation électrique de 3 V à 42 V
- Mode veille (veille profonde) avec une consommation de courant maximale de 15 μA et une capacité de réveil complète (réveil local)
- Interface de microcontrôleur 3,3 V ou 5 V
- Bus SPI jusqu'à 4 MHz pour la configuration du dispositif et l'accès aux registres
- Détection d'erreur de trame SPI
- Broche NIRQ dédiée à l'interruption externe du microcontrôleur (MCU) afin de signaler directement les événements
- Broche de réinitialisation d'entrée-sortie (NRES) avec durée de réinitialisation variable pour prendre en charge une large variété de microcontrôleurs
- Boîtier QFN40 avec flancs mouillables et pastille exposée
- Unité pilote de grille de moteur (GDU)
- La plage de tension d'exploitation du moteur VDH s'étend de 4,9 V à 32 V (niveau de verrouillage de surtension)
- Sous-tension VS
- Verrouillage de surtension VDH sélectionnable
- Commande individuelle de six transistors NMOS externes ou commande complémentaire de trois demi-ponts avec trois paires de broches d'entrée MLI
- Fréquence de commutation maximale de 50 kHz avec une charge de grille de 100 nC par MOSFET
- Pompes de charge pour prendre en charge l'exploitation en tension d'impulsion à manivelle et contrôle du rapport cyclique de la MLI à 100 %
- Surveillance de la sous-tension VGS MOSFET, niveau de verrouillage de sous-tension configurable
- Surveillance de la VDS MOSFET, niveaux de détection de court-circuit configurables
- Minuteur de protection contre la conduction croisée
- Insertion programmable de temps mort ou contrôle adaptatif du temps mort
- Temps de masquage de détection de défaillance pour toutes les fonctionnalités de protection
- Temps de filtrage de défaut configurables pour VGSUV, ILIM et SCP
- La plage de tension d'exploitation du moteur VDH s'étend de 4,9 V à 32 V (niveau de verrouillage de surtension)
- Amplificateur de détection de courant (CSA)
- Deux amplificateurs de détection de courant (CSA) haute performance intégrés avec gain et décalage de sortie configurables
- Une limitation avancée du courant de l'étage de puissance utilisant la sortie de l'ampli op et un CNA intégré
- Détecteur de rétroaction d'EMF arrière incluant une émulation du point neutre du moteur
- Régulateurs de tension
- VDD1 - 5 V/3,3 V 100 mA
- ±2 % de précision
- Limite de court-circuit de repli (IVDD1 + IVDD2 = 105 mA à 135 mA)
- Protection contre les courts-circuits
- Détection de sous-tension
- Protection et détection de surtension
- VDD2 - 3,3 V, 70 mA
- ±2 % de précision
- Limitation de courant de 75 mA
- Protection contre les courts-circuits
- Détection de sous-tension
- Protection et détection de surtension
- Sortie haute tension INH pour contrôler un composant externe, comme un régulateur de tension (VDD2 non disponible dans cette variante)
- VDD1 - 5 V/3,3 V 100 mA
- Watchdog
- Modes fenêtre et temporisation
- Réveil cyclique optionnel en mode de temporisation
- Longueur d'impulsion de réinitialisation et périodes configurables
- Mode dégradé (LH) - sortie de défaillance haute tension
- Prise en charge de la sécurité fonctionnelle
- Conformité à la norme ISO 26262:2018 en matière de sécurité fonctionnelle jusqu'à ASIL B
- Conformité à la norme CEI 61508:2010 en matière de sécurité fonctionnelle jusqu'à SIL 2
Applications
- Appareils ménagers utilisant le contrôle de moteur BLDC
- Moteurs d'outils électriques
- Aéronefs, bateaux, drones ou autres véhicules de loisir
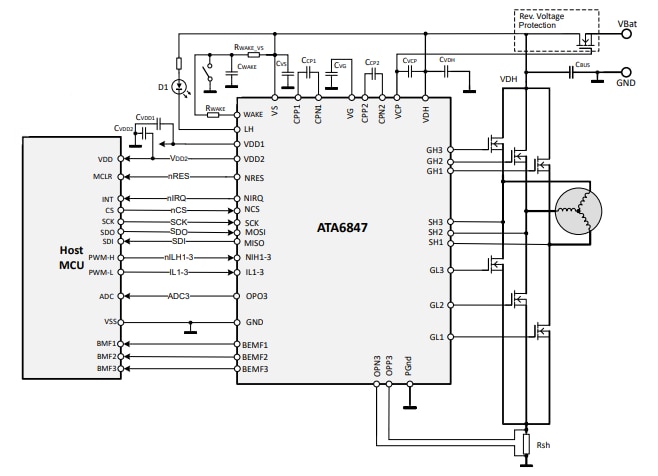
Circuit d'application standard
Schéma fonctionnel de l'ATA6847-5050/ATA6847-5033
Schéma fonctionnel de l'ATA6847-3333
Publié le: 2025-07-06
| Mis à jour le: 2025-08-29
