MEAN WELL Alimentations sur rail DIN industrielles ultra minces XTR
Les alimentations sur rail DIN industrielles ultra minces XTR Mean Well sont des alimentations électriques triphasées, compactes et de hautes performances avec contact relais CC OK intégré. Ces alimentations électriques offrent une efficacité maximale de 93 % et un courant continu avec une puissance de crête pouvant atteindre 150 %. Les alimentations électriques XTR présentent une dissipation d'énergie sans charge de <2,5 w, un="" courant="" d'appel="" ultra="" faible="">2,5 w,><10 a, une="" conception="" sans="" ventilateur="" et="" un="" boîtier="" étroit="" de="" 48 mm.="" ces="" alimentations="" électriques="" sont="" disponibles="" en="" version="" 240 w,="" 480 w="" et="" 960 w="" avec="" trois="" options="" de="" borne.="" les="" alimentations="" électriques="" xtr="" offrent="" des="" protections="" contre="" les="" court-circuits,les="" surcharges,="" les="" surtensions="" et="" les="" surchauffes.="" ces="" alimentations="" électriques="" sont="" utilisées="" dans="" des="" applications="" telles="" que="" l'automatisation="" d'usine,="" les="" systèmes="" de="" contrôle="" industriel,="" les="" équipements="" de="" fabrication="" de="" semiconducteurs="" et="" les="" appareils="" électromécaniques.="">10 a,>Caractéristiques
- Dissipation d'énergie sans charge <>
- Plage de tension d'entrée large de 320 VCA à 600 VCA, entrée de surtension de 600 VCA à 700 VCA pendant 1 seconde
- Largeur ultra fine de 48 mm
- Haute efficacité de 93 %
- Capacité de puissance de crête de 150 %
- Circuit intégré de limitation du courant continu
- Conception sans ventilateur
- Contact de relais CC OK intégré
- Courant d'appel ultra-faible <>
- Altitude de fonctionnement pouvant atteindre 5 000 m
- Plage de température de fonctionnement de -40 °C à 85 °C
- Surtension, surchauffe, surcharge et protection contre les courts-circuits
- Certificats mondiaux dans plusieurs domaines (ITE 62368-1, industriel 61558-1/-2-16, 61010) et marine DNV, SEMI47 et C1D2 HazLoc homologués
Applications
- Automatisation d'usine
- Systèmes de contrôle industriel
- équipement de fabrication semiconducteur
- Appareil électromécanique
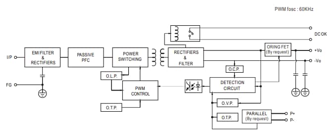
Schéma fonctionnel
Vidéos
Publié le: 2025-05-01
| Mis à jour le: 2025-10-09
