M5Stack ToF HAT Distance Sensor Module
M5Stack Time-of-Flight (ToF) HAT Distance Sensor Module is a high-precision laser-ranging sensor specifically designed for M5StickC. The module is integrated with VL53L0X and 940nm VCSEL emitter. This ToF HAT device provides high precision and low latency performance on object distance detection. The VL53L0X is a new generation ToF laser-ranging module housed in the smallest package. This VL53L0X ToF provides accurate distance measurement whatever the target reflectances, unlike conventional technologies. The VL53L0X integrates a leading-edge Single Photon Avalanche Diodes (SPAD) array and embeds ST’s second generation FlightSense™ patented technology.The VL53L0X’s 940nm Vertical-Cavity Surface-Emitting Laser (VCSEL) emitter, is invisible to the human eye. This is coupled with internal physical infrared filters, it enables longer ranging distances, higher immunity to ambient light, and better robustness to cover glass optical crosstalk. The ToF HAT is available in 24mm x 20.3mm x 13.8mm dimensions. Typical applications include obstacle recognition, gesture recognition, laser ranging, and 3D structured light imaging.
Features
- High precision
- 2m maximum measuring distance
- 940nm laser VCSEL
- Development platform:
- Arduino and UIFlow (Blockly, Python)
- Security:
- Class 1 laser equipment meeting the latest standards
- Standard IEC 60825-1: 2014 - 3rd edition
- 24mm x 20.3mm x 13.8mm dimensions
Applications
- Obstacle recognition
- Gesture recognition
- Laser ranging
- 3D structured light imaging (3D sensing)
- Camera assist (super-fast autofocus and depth of field map)
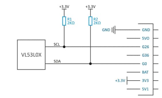
ToF HAT Schematic Diagram
Additional Resource
Publié le: 2021-02-12
| Mis à jour le: 2022-03-11
