Lattice Semiconductor FPGA CrossLink NX™
Les FPGA CrossLink-NX ™ de Lattice Semiconductor sont basés sur la plateforme Nexus FD-SOI Lattice 28 nm. Les FPGA CrossLink-NX de Lattice disposent d’un petit format, d’une fiabilité et de performances. Ces composants sont idéaux pour diverses applications, y compris la vision intégrée. Les applications comprennent le pontage de capteurs et d’écrans, l’agrégation de capteurs, la duplication de capteurs et l’inférence IA en périphérie.Caractéristiques
- Puissance jusqu’à 75 % plus faible par rapport à la concurrence
- La rétro-polarisation programmable activée par FD-SOI permet une optimisation de la puissance et des performances
- 10 x plus petit que la concurrence
- Possède le plus petit boîtier pour chaque densité, allant de 16 mm2 à 100 mm2
- Plusieurs options de boîtier pour une conception de système compacte
- Hautement fiable
- La grille isolée de la technologie FD-SOI dispose d’une zone plus petite sensible aux erreurs progressives induites par les particules, ce qui entraîne un taux d’erreur progressive (SER) 100 fois supérieur
- Haute performance
- Les E/S MIPI D-PHY 2,5 Gbps, PCIe 5 Gbps, 1,5 Gbps différentielles offrent la capacité la plus élevée pour relier des interfaces haut débit pour un large éventail d’applications
- Configuration E/S ultra-rapide (3 ms)
- Configuration complète du dispositif (de 8 à 14 ms)
- La mémoire la plus intégrée par LC (170 bits/LC) accélère le traitement IA
Vidéos
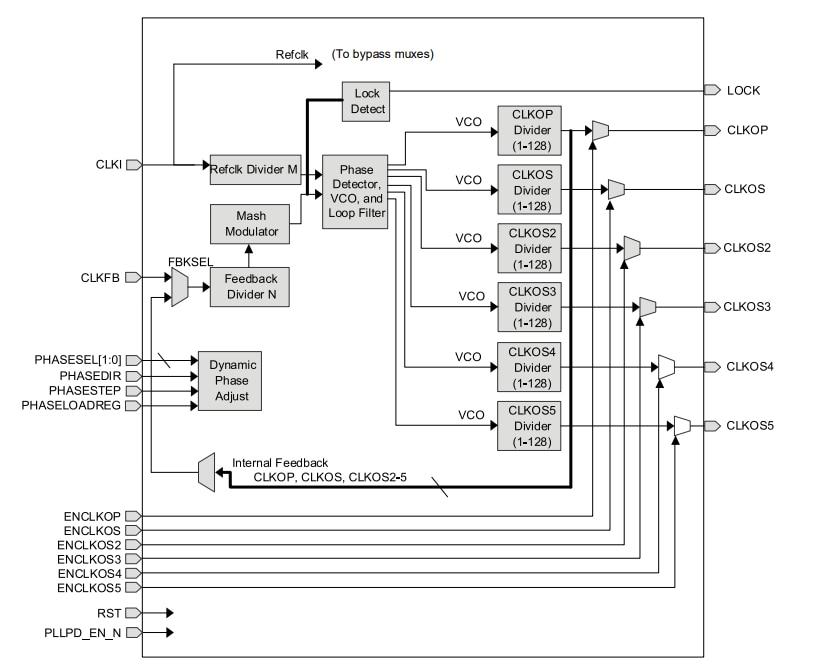
Schéma PLL à usage général
Publié le: 2020-03-17
| Mis à jour le: 2026-05-21
