IXYS IGBT à tranchée XPT™ GenX5™
Les IGBT à tranchée XPT™ GenX5™ d'IXYS sont développés à l'aide de la technologie propriétaire XPT à couche mince et du processus de pointe d'IGBT à tranchée de 5e génération (GenX5). Ces composants disposent d'une résistance thermique réduite, de faibles pertes d'énergie, d'une commutation rapide, d'un faible courant de queue et de densités de courant élevées. Les IGBT à tranchée XPT GenX5 disposent de zones de fonctionnement sécurisées à polarisation inversée (RBSOA) carrées et d'une tension de claquage de 650 V, ce qui les rend idéaux pour les applications de commutation dure sans limiteur. Ces IGBT comprennent également un coefficient de température de tension collecteur-émetteur positif, permettant aux concepteurs d'utiliser plusieurs dispositifs en parallèle pour répondre aux exigences de courant élevé. La faible charge de grille de ces composants aide à réduire les exigences de commande de grille et les pertes de commutation.Les IGBT à tranchée XPT GenX5 d'IXYS sont disponibles en boîtiers TO-220-3 (IXYP60N65A5) et TO-247-3 (IXYH90N65A5 et IXYH120N65A5) avec une large plage de température de jonction de -55 °C à +175 °C.
Caractéristiques
- Faible VCE(sat), faible Eon/Eoff
- Optimisés pour une commutation à courant élevé et basse fréquence
- Capacité de courant de choc élevée
- Zones de fonctionnement sécurisées à polarisation inversée (RBSOA) carrées
- Coefficient de température positif de VCE(sat)
- Exigences de commande de grille faibles
- Boîtiers aux normes internationales
Applications
- Onduleurs de puissance
- ASI
- Commandes de moteurs
- SMPS
- Circuits PFC
- Chargeurs de batteries
- Machines de soudage
- Ballasts de lampes
Caractéristiques techniques
- Tension collecteur-émetteur (VCES) : 650 V
- Tension de saturation collecteur-émetteur (VCE(sat)) : 1,35 V
- Courant collecteur à 25 °C (IC25)
- IXYP60N65A5: 134A
- IXYH90N65A5: 220A
- IXYH120N65A5: 290A
- Courant collecteur à 110 °C (IC110)
- IXYP60N65A5: 60A
- IXYH90N65A5: 90A
- IXYH120N65A5: 120A
- Temps de descente du courant (Tfi(std))
- IXYP60N65A5: 110ns
- IXYH90N65A5: 160ns
- IXYH120N65A5: 160ns
- Plage de température de jonction (TJ) : de -55 °C à +175 °C
- Boîtier
- IXYP60N65A5: TO-220-3
- IXYH90N65A5: TO-247-3
- IXYH120N65A5: TO-247-3
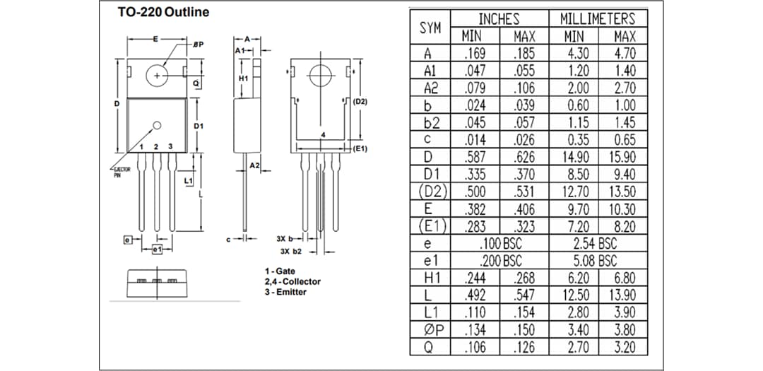
Désignations des broches
Profil du boîtier TO-220-3
Profil du boîtier TO-247-3
View Results ( 3 ) Page
| Numéro de pièce | Fiche technique | Tension de saturation collecteur-émetteur | Courant collecteur continu de 25 C | Pd - Dissipation d’énergie |
|---|---|---|---|---|
| IXYH90N65A5 | ![]() |
1.35 V | 220 A | 650 W |
| IXYP60N65A5 | ![]() |
1.35 V | 134 A | 395 W |
| IXYH120N65A5 | ![]() |
1.35 V | 290 A | 830 W |
Publié le: 2021-09-09
| Mis à jour le: 2022-03-11

