IXYS Pilote de grille isolé monocanal IX3407B
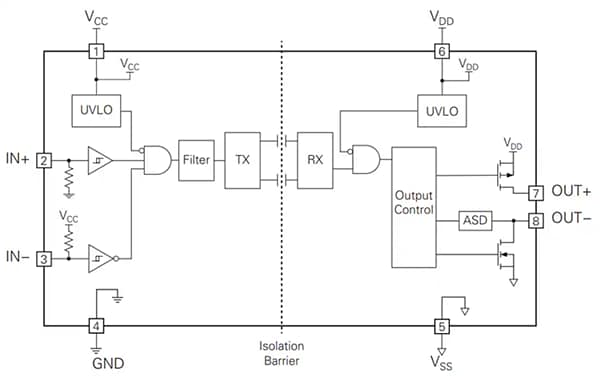
Le circuit d'attaque de grille isolé à canal unique IXYS IX3407B fournit un courant de sortie source et dissipateur de crête typique de 7 A sur des broches de sortie séparées. L'isolation galvanique entre l'entrée et la sortie est obtenue grâce à une technique d'isolation qui sépare le circuit intégré émetteur basse tension et le circuit intégré récepteur haute tension à l'aide de condensateurs haute tension intégrés. Les entrées logiques sur l'IXYS IX3407B tolèrent les tensions d'entrée jusqu'à VCC et utilisent des seuils de tension TTL pour prendre en charge une large gamme de dispositifs logiques de contrôle alimentés par une tension aussi basse que 3,3 V. La circuiterie de verrouillage de la sous-tension (UVLO) protège les côtés d'entrée et de sortie. Une fonction d'arrêt actif protège également le transistor de puissance en tirant OUT-low en cas de perte d'alimentation électrique côté sortie.Caractéristiques
- Moteurs IGBTs MOSFET et SiC MOSFET
- Sorties source et dissipateur séparées
- 7 A courant source et dissipateur de pointe standard
- plage de tension d'exploitation côté entrée de 3,1 V à 17 V
- plage de tension d'exploitation côté sortie de 13 V à 35 V
- Protection contre les sous-tensions (UVLO)
- isolation de l'entrée à la sortie 2500VRMS
Applications
- moteurs à CA et à CC brushless
- Convertisseurs CC/CC haute tension et convertisseurs CC/CA
- Onduleurs (ASI)
- Appareils de soudure
- Convertisseurs solaires
- Applications résonnantes du chauffage par induction
Vidéos
Schéma fonctionnel
Publié le: 2025-06-24
| Mis à jour le: 2025-11-04
