Infineon Technologies Détecteurs de courant sans noyau XENSIV™ TLE4973
Les capteurs de courant sans noyau XENSIV TLE4973™ d'Infineon Technologies sont des capteurs de courant magnétiques miniatures de haute précision pour les mesures CA et CC avec une interface analogique et une sortie de détection de surintensité rapide. Son principe de mesure différentielle permet la suppression des champs parasites pour un fonctionnement dans les environnements difficiles et sa haute configurabilité permet la personnalisation pour diverses applications. Les paramètres programmables par l’utilisateur (tels que les seuils OCD et les paramètres de sensibilité) sont stockés dans une EEprom intégrée. La configuration du dispositif peut être effectuée sur place via une interface de diagnostic de contrôle numérique (DCDI) basée sur un UART à un fil. L’interface DCDI fournit un accès en lecture/écriture aux registres internes du composant et permet au composant de déclencher le mode de diagnostic et de lire la température, l’OCD et l’état de sécurité. Les capteurs disposent d’une fonctionnalité d’adressage automatique et peuvent traiter jusqu’à huit périphériques sur un seul bus.Caractéristiques
- Détection de courant CC et CA très précise et évolutive.
- Pleine échelle jusqu’à ±34 mT pour les mesures de courant supérieures à 1000 A
- Tension d'alimentation 5 V
- Sortie analogique
- Différentiel configurable pour TLE4973-xE35x5-S0001 (y compris une option quotientométrique)
- Ratiométrique asymétrique pour TLE4973-RE35x5-S0010
- Élément de sécurité ISO 26262 hors contexte pour les exigences de sécurité s'étendant jusqu'à ASIL B
- Petit facteur de forme permettant une haute densité de puissance
- Erreur de sensibilité très faible sur la température et la durée de vie
- Excellente stabilité de décalage par rapport à la température et la durée de vie.
- Le principe de capteur différentiel assure une suppression supérieure du champ magnétique parasite
- La bande passante élevée fournit un temps de réponse rapide et un faible délai de phase
- Détection de surintensité avec seuil configurable (durée de détection maximale < 1,0="">
- EEprom avec pompe de charge intégrée pour la programmation en système et l’étalonnage en fin de ligne sans circuit supplémentaire
- Différentes solutions de boîtier pour une intégration optimale du système dans différents schémas de câblage
- Interface de diagnostic et de contrôle numérique ; fournit une lecture de la température, une lecture de l’état de sécurité, un accès de programmation en lecture/écriture à l’EEprom interne et un contrôle du mode de diagnostic
- Pré-étalonné sur la température avec possibilité d’étalonnage en fin de ligne dans le système pour compenser les erreurs au niveau du système
- Homologué AEC-Q100 classe 0
- Conforme à la directive RoHS
Applications
- Entraînements électriques principaux et auxiliaires
- Détection de surcharge et de surintensité
- Interrupteur principal de batterie
- Disjoncteurs intelligents
- Convertisseurs PV
- Surveillance du courant et des alimentations électriques
Fiches techniques
Schéma fonctionnel
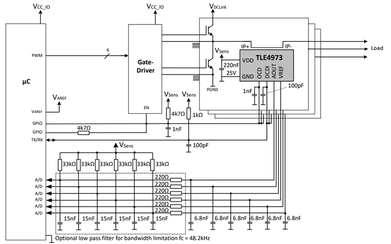
Schéma d'application standard
Publié le: 2023-11-28
| Mis à jour le: 2025-02-09
