Topologie de haute puissance SMPS Infineon Technologies

Topologie de haute puissance SMPS Infineon Technologies

La topologie de haute puissance SMPS Infineon Technologies est adaptée pour les applications d'alimentation au-delà de 400 W. Suivant l'étage frontal d'un redresseur CA-CC, un convertisseur de puissance CC-CC est nécessaire pour abaisser la tension du bus et fournir une sortie CC étroitement régulée et à isolation galvanique (par ex. 12 V, 24 V, 48 V). Tandis qu'une large gamme de topologies isolées sont disponibles, le convertisseur à décalage de phase et pont complet est plus adapté pour une application de puissance supérieure en raison notamment de sa commutation à tension nulle, par nature, pour les commutateurs du côté primaire.

Accélérez vos conceptions d'alimentation en utilisant les fichiers de conception active qui simplifient les calculs requis pour déterminer les pertes de puissance, la sélection des composants d'alimentation et les composants passifs.  Ces documents de travail sont élaborés et à exécuter dans MathCad Express et reproduisent le contenu des notes de conception qui décrivent les principes de chaque topologie. Si vous avez déjà installé MathCad sur votre ordinateur, ouvrez simplement les fichiers .mcdx où les zones d'entrée pour l'utilisateur sont désignées par des champs verts et oranges pour les exigences système et spécificités des composants.
« Full Bridge Current Doubler 600W Express.mcdx »

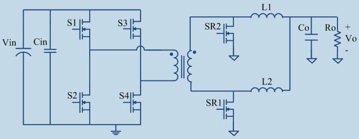
  Notes de conception pour le convertisseur à décalage de phase et pont complet avec redresseur-doubleur de courant

Topologie à pont complet

Topologie à pont complet

MOSFET Boost

La série de MOSFET de puissance CoolMOS CP Infineon Technologies satisfait les exigences pour la miniaturisation des systèmes et l'amélioration du rendement en offrant une importante réduction de la résistance drain-source à l'état passant (RDSon) dans un boîtier donné, une charge de grille totale ultra-faible et une très faible énergie stockée dans la capacité de sortie. Les applications cibles pour la série CoolMOS CP sont les alimentations de serveur et télécoms, les adaptateurs de notebooks, les télévisions LCD, les alimentations de jeu et ATX, et les ballasts d'éclairage.

Caractéristiques
  • Faible facteur de mérite RON x Qg
  • Charge de grille ultra-faible
  • Classe extrême de dv/dt
  • Capacité d'intensité de crête élevée
  • Qualifié pour les applications de classe industrielle selon JEDEC
  • Placage de fil sans plomb ; conforme RoHS
 

Applications

  • Topologies de commutation fixe pour serveur et télécoms

    Ressources supplémentaires
    Fiche technique IPW60R125CP Fiche technique IPW60R125CP
    Fiche technique IPW60R075CP Fiche technique IPW60R075CP
    Fiche technique IPW60R045CP Fiche technique IPW60R045CP
    En savoir plus sur les MOSFET CoolMOS Infineon
    Transistors de puissance CoolMOS™ Infineon Technologies

    Commander des transistors de puissance CoolMOS™ Infineon Technologies
    Afficher la liste des produits

    Diodes Boost SiC

    La 5e génération ThinQ!™ représente la technologie Infineon de pointe pour les diodes à barrière de Schottky SiC. Grâce à leur conception plus compacte et à leur technologie à couche mince, la nouvelle famille de produits montre un rendement amélioré sur toutes les conditions de charge, résultant à la fois de meilleures caractéristiques thermiques et d'un facteur de mérite moindre (Qc x Vf). La nouvelle génération 5 thinQ!™ a été conçue pour compléter nos familles 650 V CoolMOS™ : cela assure le respect des exigences des applications les plus strictes sur cette gamme de tension.


    Ressources supplémentaires
    Fiche technique IDW12G65C5 Fiche technique IDW12G65C5
    Fiche technique IDW10G65C5 Fiche technique IDW10G65C5
    En savoir plus sur les diodes à barrière SiC Génération 5 Infineon
    Diodes à barrière de Schottky SiC Infineon Technologies

    Commander des diodes à barrière de Schottky SiC Infineon Technologies
    Afficher la liste des produits

    Caractéristiques
    • Matériau révolutionnaire de semi-conducteur : carbure de silicium
    • Référence en termes de comportement de commutation
    • Aucune récupération inverse ni directe
    • Comportement de commutation indépendant de la température
    • Capacité de courant de choc élevée
    • Placage de fil sans plomb ; conforme RoHS
    • Qualification conformément à JEDEC pour application cible
    • Optimisé pour un fonctionnement à température élevée
    • Amélioration du rendement du système sur les diodes Si

    • Économies de taille et de coût du système en raison des besoins réduits de refroidissement
    • Permet des solutions à plus haute fréquence et à densité de puissance augmentée
    • Fiabilité supérieure du système grâce à des températures de fonctionnement plus faibles
    • EMI réduit

    Applications

    • Source d’alimentation en mode commutation
    • Correction du facteur de puissance
    • Onduleur solaire

    Contrôleur PFC

    Le contrôleur ICE3PCS01G d'Infineon est un CI contrôleur à large plage d'entrée de 14 broches pour les convertisseurs à correction active du facteur de puissance. Il est conçu pour les convertisseurs en topologie Boost et nécessite moins de composants externes. Il est recommandé de fournir son alimentation à partir d'une source auxiliaire externe qui allume et éteint le CI.


    Caractéristiques
    • PFC à mode de fonctionnement à courant continu
    • Large plage d'entrée de Vcc jusqu'à 25 V
    • Niveau suiveur Boost programmable selon des conditions de ligne d'entrée et de puissance de sortie
    • Réponse dynamique améliorée sans distorsion du courant d'entrée
    • Seuil de protection contre l'affaissement précis
    • Compensation de boucle de courant externe pour une flexibilité utilisateur supérieure
    • Protection de boucle ouverte
    • Deuxième protection de surtension de masse
    • Fonction d'activation PFC
    • Broches séparées de mise à la terre de l'alimentation et du signal
    • Cycle de service maximal de 95 % (standard)
    Contrôleur PFC ICE3PCS01G Infineon Technologies
    Commander un contrôleur PFC ICE3PCS01G Infineon Technologies Afficher les détails du produit

    Ressources supplémentaires
    Fiche technique Fiche technique

    MOSFET primaires

    CoolMOS est une technologie révolutionnaire pour les MOSFET de puissance à haute tension, conçue selon le principe de super-jonction (SJ) et mise au point par Infineon Technologies. Les séries 650 V CoolMOS CFD et CFD2 combinent l'expérience du fournisseur de MOSFET SJ leader avec une innovation haut de gamme. Les composants qui en résultent fournissent tous les bénéfices des MOSFET SJ à commutation rapide tout en offrant une diode de structure solide, extrêmement rapide. Cette combinaison de pertes extrêmement faibles en commutation et conduction associées à la plus haute solidité rend les applications de commutation résonnante plus fiables, plus efficaces, plus légères et plus refroidies.


    Ressources supplémentaires
    Fiche technique IPW65R310CFD Fiche technique IPW65R310CFD
    Fiche technique IPW65R190CFD Fiche technique IPW65R190CFD
    En savoir plus sur les transistors de puissance CoolMOS Infineon
    MOSFET de puissance CoolMOS Infineon Technologies
    Commander des MOSFET de puissance CoolMOS Infineon Technologies
    Afficher la liste des produits
     
    Caractéristiques
    • Diode à corps ultra-rapides
    • Robustesse très élevée à la commutation
    • Pertes extrêmement faibles pour un très faible FOM RDS(on)*Qg et EOSS
    • Facile à piloter et à utiliser
    • Qualifié pour les applications de classe industrielle selon JEDEC (J-STD20 et JESD22)
     
    • Placage sans plomb, composé moulé sans halogène

    Applications
    • Étages PWM de commutation résonnants pour Silverbox PC, télévisions LCD, éclairage, serveurs et télécoms
     

    MOSFET secondaire

    Les MOSFET de puissance à canal N OptiMOS™ Infineon sont des MOSFET de puissance de première classe pour des solutions à meilleure densité de puissance et à meilleur rendement énergétique. Leurs charges de sortie et de grille ultra-faibles alliées au plus faible niveau de résistance à l'état passant en boîtier à faible encombrement font des MOSFET de puissance à canal N OptiMOS™ Infineon le meilleur choix pour les besoins exigeants des solutions de régulateur de tension dans les applications de serveurs, datacoms et télécoms. Les FET à contrôle de commutation super rapide associés à des FET de synchro à faible EMI offrent des solutions qui sont faciles à concevoir. Les transistors de puissance à canal N OptiMOS™ Infineon fournissent une excellente charge de grille et sont optimisés pour la conversion cc-cc.

    Ressources supplémentaires
    Fiche technique Fiche technique
    En savoir plus sur les MOSFET de puissance OptiMOS Infineon
    MOSFET de puissance à canal N OptiMOS™ Infineon Technologies
    Commander des MOSFET de puissance à canal N OptiMOS™ Infineon Technologies
    Afficher le détail du produit
    Caractéristiques
    • Technologie optimisée pour le redressement synchrone
    • Idéal pour une commutation à haute fréquence et des convertisseurs CC-CC
    • Excellente charge de grille x RDS(on) facteur (FOM)
    • Résistance à l'état passant très basse RDS(on)
    • Canal N, niveau normal
    • 100 % testé en mode avalanche
    • Sans plomb, conforme RoHS et sans halogène
    • Qualification conformément à JEDEC pour application cible
    Applications
    • Alimentation sur carte pour serveur
    • Gestion d'alimentation pour traitement haute performance
    • Rectification synchrone
    • Conversion de point de charge à densité de puissance élevée
     
    Inscription aux eNews
    • Infineon Technologies
    • Power Management
    • Semiconductors|Integrated Circuits|IC-Power Management
    Publié le: 2013-02-19 | Mis à jour le: 2024-01-24