Diodes Incorporated Les moniteurs de courant de haute précision ZXCT21x 26 V
Les moniteurs de courant de haute précision ZXCT21x 26 V de Diodes Incorporated disposent de différentes options de gain pour mesurer les chutes de basse tension (10 mV) à travers une petite résistance shunt avec une erreur minimale. Ces composants permettent une haute précision de mesure du courant élevé et réduisent les pertes de puissance causées par la mesure à des tensions en mode commun de -0,3 V à 26 V.Les moniteurs de courant ZXCT21x de diodes ont six gains fixes de 50 V/V, 75 V/V, 100V/V, 200V/V, 500V/V et 1000V/V. Les moniteurs de courant utilisent une architecture sans dérive et sont fabriqués à l’aide de la technologie post-trim. Ces composants atteignent une faible tension de décalage, une faible dérive de gain et une erreur de gain pour une mesure précise sur l’ensemble de la plage de température.
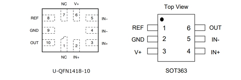
Le ZXCT21x fonctionne à partir d’une seule alimentation 2,7 V à 26 V avec un courant d’alimentation maximal de 100μA. Le ZXCT21x a une température de fonctionnement de -40 °C à +125 °C et est présenté en boîtier SOT363 ou U-QFN1418-10.
Caractéristiques
- Plage de tension d'alimentation de 2,7 à 26 V
- Plage de températures : de -40 °C à +125 °C
- Large plage de mode commun de - 0,3 V à 26 V
- Prend en charge les chutes de shunt de 10 mV à pleine échelle
- Erreur de gain (surchauffe maximale)
- Version A et B ± 0,8 %
- Version C ± 0,5 %
- Faible tension de décalage maximale de ± 30 μV
- Courant de repos maximal 100 μA
- Faible dérive d’erreur de gain maximale de 10 ppm/°C
- Capacité de sortie rail-à-rail
- Choix des gains
- 200 V/V pour ZXCT210
- 500 V/V pour ZXCT211
- 1 000 V/V pour ZXCT212
- 50 V/V pour ZXCT213
- 100 V/V pour ZXCT214
- 75 V/V pour ZXCT215
- Options de boîtier SOT363 à 6 broches et U-QFN1418-10 à 10 broches
- Entièrement sans plomb et conforme à la directive RoHS
- Dispositif « vert » sans halogène ni antimoine
Applications
- Micro-ordinateurs
- Fermes de serveurs
- Télécommunications
- Détection de courant (côté haut/côté bas)
- Recharge et décharge de la batterie
- Cartes vidéo haute performance
- Sources d’alimentation industrielles
- Instrumentation
- Systèmes de commande
- Compteurs
Circuit d’applications standard
Affectations des broches
Publié le: 2023-06-23
| Mis à jour le: 2023-07-11
