Diodes Incorporated Pilotes d’affichage automobiles de rétroéclairage à LED AL3069Q
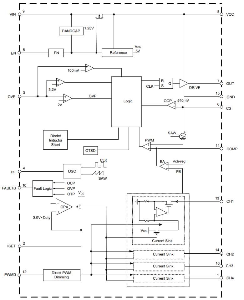
Les pilotes d'affichage automobile de rétroéclairage à LED AL3069Qde Diodes Incorporated sont des contrôleurs de suralimentation à haute efficacité 60 V conçus spécifiquement pour les applications de rétroéclairage LED automobiles. Ces contrôleurs intègrent quatre canaux de puits de courant haute précision 80 V et offrent un diagnostic d'erreur robuste pour garantir un fonctionnement fiable dans des environnements exigeants. Les pilotes LED AL3069Q disposent d’un contrôle de tension adaptatif intégré et fonctionnent sur une large plage de tension d’entrée de 4,5 V à 60 V. Ces pilotes offrent une fréquence de commutation réglable de 100 kHz à 1 MHz et un cycle de service de gradation PWM minimum de 1/5000 peut être atteint à 100 Hz. Les pilotes AL3069Q sont disponibles dans les boîtiers TSSOP-16EP (Type DX) et UQFN4040-16/SWP (Type UXB). Ces pilotes de rétroéclairage à LED sont homologués AEC-Q100 de classe 1 et sont de qualité automobile pour prendre en charge les PPAP. Les pilotes AL3069Q présentent certains des diagnostics de défaut les plus avancés et des protections les plus robustes, ce qui les rend idéaux pour des applications comme l’infodivertissement automobile, les groupes d’instruments et les rétroviseurs intelligents.Caractéristiques
- Homologué AEC-Q100 classe 1
- Contrôleur CC/CC Boost ou SEPIC
- Fonction de rétroaction de tension intégrée et adaptative
- Plage de tension d’entrée de 4,5 V à 60 V
- Broches haute tension CS et OVP pour test de sécurité
- Plage de fréquence de commutation de 100 kHz à 1 MHz
- Quatre dissipateurs de courant de haute précision
- 250 mA par chaîne et courant d’impulsion de 400 mA
- Correspondance du courant canal-à-canal de ±0,5 % (valeur standard)
- Prend en charge la graduation directe MLI
- Diagnostics étendus des défauts
- Broche de signalement de défaut à drain ouvert
- Le rapport cyclique de graduation MLI minimum a atteint 1/5000 à une fréquence de graduation de 100 Hz
- Protection contre les courts-circuits et les ouvertures de LED
- Protection contre les courts-circuits des diodes/inductances Schottky
- Protections intégrées :
- Protection contre les surintensités (OCP)
- Protection contre les surtensions (OVP)
- Protection contre les surchauffes (OTP)
- Verrouillage de sous-tension (UVLO)
- Protection ouverte de diode Schottky/court-circuit VOUT
- Totalement sans plomb et conforme à la directive RoHS
- Dispositif exempt d’halogène et d’antimoine [dispositif « vert »]
Applications
- Systèmes d’infodivertissement automobile
- Groupes d’instruments automobiles
- Miroirs intelligents
- Affichages tête haute (HUD)
Schéma du circuit d’application
Schéma de principe fonctionnel
Ressources supplémentaires
Publié le: 2025-10-07
| Mis à jour le: 2025-11-21
