Diodes Incorporated Pilote LED linéaire PWM à trois canaux AL1783Q
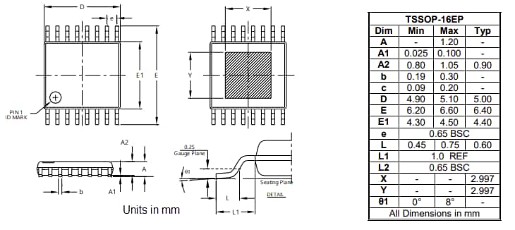
Le pilote LED linéaire MLI à trois canaux AL1783Q de Diodes Incorporated est conçu pour cibler les applications d’éclairage LED automobiles et est attribué à une solution compacte. Ce pilote offre des commandes indépendantes de gradation MLI et de réglage du courant pour chaque canal. Le pilote AL1783Q est également attribué à une performance de variation MLI, à une rentabilité eBOM, à une facilité de mise en œuvre du système et à une faible puissance de veille. Ce pilote est disponible en boîtier TSSOP-16EP et minimise le nombre de composants externes et l’espace sur la carte de circuit imprimé. Le pilote AL1783Q dispose de trois broches de référence externes pour définir le courant LED pour chaque canal, et ce pilote est sans plomb et conforme à la directive RoHS. Ce pilote fonctionne sur une plage de tension d’entrée de 6,5 V à 55 V et une plage de température de stockage de -55°C à 160°C. Le pilote AL1783Q est utilisé pour les feux de position, de brouillard et d’arrière.Caractéristiques
- Trois broches de référence externes pour définir le courant LED pour chaque canal
- Homologué AEC-Q100 classe 1
- Contrôle indépendant de gradation MLI pour chaque canal
- Trois broches de référence externes pour définir le courant LED pour chaque canal
- Mode veille d’économie d’énergie entrée et sortie automatique
- Protections robustes :
- Verrouillage de sous-tension (UVLO)
- Protection contre les surtensions (OVP)
- Protection ouverte de chaîne LED (LED ouverte)
- Protection contre les surchauffes (OTP) :
- Repli thermique
- Arrêt thermique
- Récupération thermique automatique
- Signalement des défaillances :
- UVLO
- OTP
- LED ouverte et court-circuit
- Sans plomb et conforme à la directive RoHS
Caractéristiques techniques
- Plage de tension d’entrée de 6,5 V à 55 V
- Tolérance de courant LED : ±4 % à 125 mA
- Gradation MLI rapide 40 kHz
- Plage de température de stockage : de -55 °C à 160 °C
- Plage de température de jonction de fonctionnement de -40 °C à 150 °C
- Plage de température ambiante de fonctionnement de -40 °C à 125 °C
Applications
- Feux de jour
- Feux de position
- Feux de brouillard
- Feux arrières
- Feux stop ou arrière
- Éclairage intérieur
Schéma de circuit d’application standard
Schéma fonctionnel
Schéma des dimensions
Publié le: 2024-01-31
| Mis à jour le: 2024-03-07
