Cyntec Traction Inverters
Cyntec Traction Inverters are essential for the electrification of powertrains in electric vehicles. These inverters feature an EMI filter for traction, utilising insulated over-molding technology and offer a 30% size reduction and a 25% weight reduction. This innovative molding technology uses lead frames to replace traditional PCBs and enable a more compact design while maintaining high performance. The traction inverters offer enhanced spatial flexibility, quick insertion loss evaluation, and EMI noise simulation. Typical applications include electric vehicles and EMI shielding.
Features
- Electrification of powertrains in electric vehicles
- EMI filter
- Compact design
- Flexible spatial design
- Quick insertion loss evaluation
- EMI noise simulation
Applications
- Electric vehicles
- EMI shielding
Traction Inverters Overview
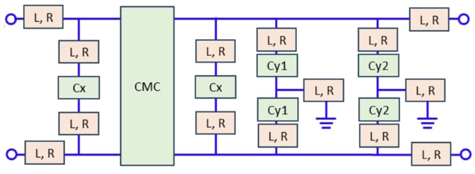
Equivalent Circuit
Performance Graph
Publié le: 2025-10-14
| Mis à jour le: 2025-11-18
