Comchip Technology BAS21/A/C/S-HF Switching Diodes

Comchip Technology BAS21/A/C/S-HF Switching Diodes are fast-switching devices with high reliability and stability. They feature 225mW power dissipation, 250V reverse voltage, and low reverse leakage. These Comchip Technology diodes operate at 150°C and come with SOT-23 and a molded plastic case.

Features

  • Fast switching device (Trr < 50ns)
  • High stability and high reliability
  • Power dissipation of 225mW
  • Low reverse leakage
  • SOT-23, molded plastic case
  • RoHS and halogen-free device

Specifications

  • 250V reverse voltage
  • 2.5mA non-repetitive peak forward current
  • 400mA forward continuous current
  • 150°C operating junction temperature
  • -55°C to 150°C storage temperature range

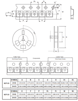
Dimensions & Mechanical Drawing

Publié le: 2020-06-08 | Mis à jour le: 2024-05-16