Bourns Résistances de puissance Riedon™ TO-247 PF2472
Les résistances de puissance Riedon™ TO-247 PF2472 de Bourns utilisent la technologie du film épais et sont livrées dans un emballage standard TO-247. La série PF2472 offre une faible inductance, une puissance nominale jusqu'à 100 W et une large plage de valeurs de résistance de 0,1Ω à 20 kΩ. Ces résistances de puissance de Bourns présentent des options de tolérance de résistance de 1 % et 5 % et sont idéales pour les convertisseurs de puissance CA-CC et CC-CC, les systèmes de stockage d'énergie par batterie (BESS), les circuits de condensateur de recharge/décharge, etc.Caractéristiques
- Plage de résistance de 0,1 Ω à 20 kΩ
- Puissance nominale jusqu'à 100 W
- Tolérance de résistance de ±1 % ou ±5 %
- Éléments de résistance de film à haute stabilité
- Platine arrière isolée des deux PINS
- Faible inductance
- Excellente gestion Pulse
- Boîtier TO-247
Applications
- Convertisseurs de puissance CA-CC et CC-CC
- BESS
- Circuits de condensateur de recharge/décharge
- Alimentations électriques industrielles, convertisseurs et entraînements à moteur
- Détection de courant
- Circuits d'amortisseur
Caractéristiques techniques
- Puissances nominales
- 100 W avec dissipateur
- 3 W sans dissipateur
- Résistance thermique de 1,3 °C/W
- Résistance diélectrique de 2500 VCA
- Coefficient de température
- ± 20 PPM/°C (R ≥ 20 Ω)
- ± 300 PPM/°C (0,1 Ω ≤ R < 20="">
- Température de fonctionnement : de -55 °C à +175 °C
Vidéos
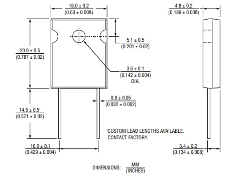
Dimensions
Publié le: 2025-08-06
| Mis à jour le: 2025-10-15
