Analog Devices Inc. PMIC MAXM17712/20/24
Les CI spécialisés en gestion d’alimentation (PMIC) MAXM17712/20/24 d'Analog Devices Inc. sont des modules d'alimentation micro CI de niveau système (SLICµ) Himalaya qui permettent des solutions d’alimentation plus fraîches, plus petites et plus simples. Ces CI intègrent un convertisseur CC-CC abaisseur synchrone 150 mA à haut rendement et un régulateur linéaire 50 mA à PSRR élevé et faible bruit dans les modules d'alimentation µ™ SLIC. Les PMIC fonctionnent sur une large plage de tensions d’entrée allant de 4 V à 60 V. Le convertisseur abaisseur et le régulateur linéaire peuvent fournir des courants de sortie jusqu’à 150 mA et 50 mA.La sortie des convertisseurs CC-CC sert d'entrée aux régulateurs linéaires. Ces régulateurs linéaires offrent des tensions de sortie fixes entre 1,2 V et 3,3 V dans différents modules. Les modules MAXM17712/20/24 sont disponibles en boîtier µSLIC à profil ultra-mince 2,6 mm x 3 mm x 1,5 mm. Les applications typiques comprennent les capteurs industriels, les HVAC et le contrôle de bâtiments, les équipements alimentés par batterie et le remplacement de LDO.
Caractéristiques
- Faciles à utiliser :
- Convertisseur abaisseur à entrée large de 4 V à 60 V
- Modules de tension de sortie ajustable et fixe
- Inducteur interne et compensation
- Courant de sortie jusqu'à 150 mA à partir d'un convertisseur Buck
- Précision de ±1,3 % pour la sortie du régulateur linéaire et de ±2 % de précision FB pour le convertisseur Buck
- Condensateurs tout céramique, encombrement compact
- Régulateur de tension linéaire à PSRR élevé de 50 mA intégré
- Rendement élevé :
- Mode de fonctionnement MLI (modulation de largeur d’impulsion) ou PFM sélectionnable
- La PFM permet d'améliorer l'efficacité en charge faible
- Courant d’arrêt de 2,5 μA
- Courant d'alimentation à vide de 70 µA
- Robuste :
- Conforme à la norme CISPR22 (EN55022), classe B, relative aux émissions conduites et rayonnées
- Satisfait les normes JESD22-B103/B104/B111 relatives aux chutes, aux chocs et aux vibrations
- Conception flexible :
- Démarrage progressif et démarrage pré-polarisé internes
- Fréquence de commutation réglable de 350 kHz à 2,2 MHz
- Sortie de bonne alimentation à drain ouvert (broche RESET)
- Seuil EN/UVLO programmable
- Fonctionnement robuste :
- Protection contre les surintensités hoquet
- Protection contre la surchauffe
- Plage de températures de fonctionnement ambiantes de -40 à +125 °C
- Plage de température de jonction de -40 °C à +150 °C
Applications
- Capteurs industriels
- Contrôleur logique programmable
- Équipement alimenté par batterie
- CVC et contrôle de construction
- Remplacement de LDO
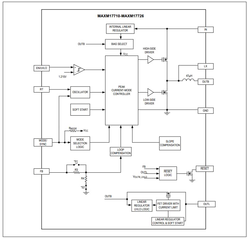
Schéma fonctionnel
Vidéos
Publié le: 2020-01-28
| Mis à jour le: 2024-04-18
