Analog Devices Inc. Modules d'alimentation MAXM17630, MAXM17631 et MAXM17632
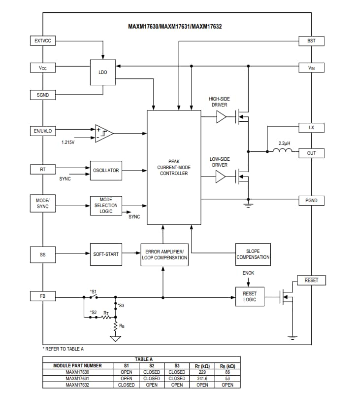
Les modules de puissance abaisseurs MAXM17630, MAXM17631 et MAXM17632 Himalaya, uSLIC™ d’Analog Devices Inc. sont activés pour des solutions d’alimentation plus fraîches, plus petites et plus simples. Les MAXM17630, MAXM17631 et MAXM17632 sont des modules CC-CC abaisseurs synchrones à haut rendement avec un contrôleur intégré, des MOSFET, des composants de compensation et un inducteur qui fonctionnent sur une large plage de tensions d’entrée.Les modules de puissance fonctionnent de 4,5 V à 36 V et fournissent un courant de sortie pouvant atteindre 1 A. Les MAXM17630 et MAXM17631 sont des modules de sortie fixes de 3,3 V et 5 V, respectivement. Le MAXM17632 est un module de sortie réglable (de 0,9 V à 12 V). Ces composants offrent une véritable solution d’alimentation plug-and-play, réduisant considérablement la complexité de conception, les risques de fabrication et le délai de mise sur le marché. La compensation intégrée sur l'ensemble de la plage de tensions de sortie élimine le besoin de composants de compensation externes.
Les modules de puissance MAXM1763x disposent d’une architecture de contrôle en mode courant de crête et peuvent fonctionner en modulation de largeur d’impulsion (PWM), en modulation de fréquence d’impulsion (PFM) ou en mode de conduction discontinue (DCM) pour permettre un haut rendement dans des conditions de faible charge. La précision de la régulation de la tension de rétroaction sur -40 °C à +125 °C pour la gamme de modules est de ±1,2 %.
Les modules de puissance MAXM1763x sont disponibles en boîtier USLIC™ 3 mm x 3 mm x 1,75 mm, compact à 16 broches et profil mince. Des modèles de simulation sont également disponibles.
Caractéristiques
- Facile à utiliser
- Large entrée de 4,5 V à 36 V
- Sortie réglable de 0,9 V à 12 V (MAXM17632)
- Versions de sortie fixes de 3,3 V et 5 V (MAXM17630 et MAXM17631)
- Fréquence réglable de 400 kHz à 2,2 MHz avec synchronisation de l’horloge externe
- Précision de rétroaction ±1,2 %
- Courant de sortie jusqu’à 1 A
- Compensé en interne
- Tous les condensateurs sont en céramique
- Haute efficacité
- Fonctionnement en mode PWM, PFM- ou DCM sélectionnable
- Alimentation d’amorçage auxiliaire (EXTVCC) pour un meilleur rendement
- Courant d’arrêt aussi bas que 2,8 μA (standard)
- Conception flexible
- Démarrage réglable et monotone avec tension de sortie pré-polarisée
- Surveillance intégrée de la tension de sortie avec broche RESET
- Seuil EN/UVLO programmable
- Fonctionnement robuste
- Protection contre la surcharge en mode de ratés
- Protection contre la surchauffe
- Plage de températures de fonctionnement ambiantes de -40 à +125 °C
- Plage de température de jonction de -40 °C à +150 °C
- Robuste
- Conforme à la norme CISPR22 (EN55022), classe B, relative aux émissions conduites et rayonnées
- Satisfait les normes relatives aux chutes, aux chocs et aux vibrations : JESD22-B103, B104, B111
Applications
- Alimentations de contrôle industriel
- Point de charge à usage général
- Régulation de l’alimentation distribuée
- Alimentations de la station de Base
- Systèmes monocarte haute tension
- Contrôleurs logiques programmables
Vidéos
Application standard du MAXM17631
Application typique MAXM17632
Schéma de principe
