Analog Devices / Maxim Integrated Dispositif alimenté conforme à la norme IEEE® 802.3bt MAX5996
Le dispositif alimenté conforme à la norme IEEE® 802.3bt MAX5996 d'Analog Devices est conforme à la norme IEEE 802.3af/at/bt dans un système PoE (alimentation via Ethernet) avec une signature de détection, une signature de classification et un commutateur de puissance intégré avec contrôle du courant d’appel de démarrage. Le MAX5996 limite le courant à 135 mA pendant la période de démarrage et passe à une limite de courant plus élevée lorsque le MOSFET de puissance est totalement amélioré. Les dispositifs sont dotés d’une classification multi-événements, de MPS intelligents, d’une classe automatique et d’un UVLO d’entrée avec une large hystérésis et un temps antiparasite pour assurer une transition sans perturbation pendant la mise sous tension/hors tension. Le MAX5996 supporte une tension maximale de 100 V en entrée.Le dispositif alimenté conforme à la norme IEEE 802.3bt MAX5996 d'Analog Devices détecte la présence d’un adaptateur mural et permet un basculement en douceur de la source d’alimentation PoE à l’adaptateur mural. En outre, les dispositifs fournissent un signal Power-Good (PG), une limite de courant en deux étapes, un contrôle de repli et une protection contre les surchauffes.
Le MAX5996 est logé dans un boîtier de puissance TQFN à 16 broches de 5 x 5 mm et il est classé pour la plage de température de -40 °C à +125 °C.
Caractéristiques
- Télémétrie de puissance précise (brevet en instance)
- Limite de puissance/courant constante (brevet en instance)
- Lecture du niveau de puissance/courant LLDP (brevet en instance)
- Conforme à la norme IEEE802.3bt
- Interrupteur d’isolation 90 W intégré
- Multi-classification
- Indication du niveau de puissance multi-événements
- Interface d’adaptateur mural simplifiée
- Limite du courant d’appel au démarrage
- Limite du courant en fonctionnement normal
- Protection contre les surchauffes
- Autoclasse
- MPS vert sélectionnable
- MPS intelligents (brevet US9152161)
- Boîtier TQFN à 16 broches, 5 x 5 mm
Applications
- Dispositifs alimentés selon la norme IEEE 802.3bt
- Téléphones VOIP, caméras de sécurité IP
- Point d’accès sans fil
- Petite cellule, picocellule
- Éclairage
- Automatisation de bâtiments
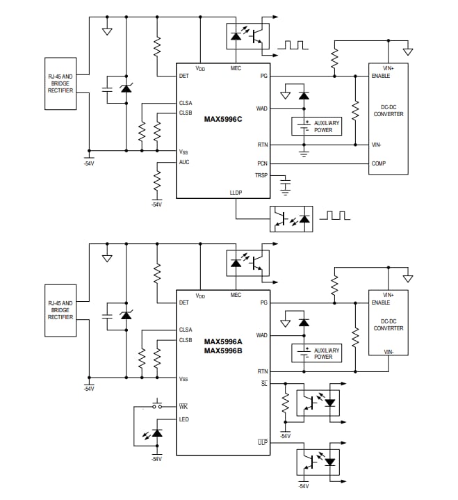
Schéma fonctionnel simplifié
Publié le: 2021-09-28
| Mis à jour le: 2025-07-24
