Analog Devices / Maxim Integrated MAX32625 & MAX32626 32-Bit MCUs
Analog Devices MAX32625 and MAX32626 Arm® Cortex®-M4F 32-Bit Microcontrollers are ideal for the emerging wearable medical and fitness applications category. The architecture combines ultra-low power, high-efficiency signal processing functionality, and ease of use. An internal 96MHz oscillator provides high-performance capability. The internal 4MHz oscillator supports minimal power consumption for applications requiring always-on monitoring.The MAX32625 and MAX32626 MCUs provide 512kB of flash and 160kB of SRAM. These devices feature four powerful and flexible power modes. A peripheral management unit (PMU) enables intelligent peripheral control with up to six channels to significantly reduce power consumption. Built-in dynamic and firmware-controlled clock gating allows users to optimize power for the specific application.
The Analog Devices MAX32625 and MAX32626 MCUs are available in WLP-63 and TQFN-EP-68 packages with a -30°C to +85°C operating temperature range.
View MAX32625EVKIT & MAX32626EVKIT Evaluation Kits
View MAX32625PICO Evaluation Board
Features
- High-Efficiency Microcontroller for Wearable Devices
- Internal Oscillator Operates Up to 96MHz
- Low Power 4MHz Oscillator System Clock Option for Always-On Monitoring Applications
- 512KB Flash Memory (256KB “L” Version)
- 160KB SRAM (128KB “L” Version)
- 8KB Instruction Cache
- 1.2V Core Supply Voltage
- 1.8V to 3.3V I/O
- Optional 3.3V ±5% USB Supply Voltage
- Optimal Peripheral Mix Provides Platform Scalability
- SPI Execute in Place (SPIX) Engine for Memory Expansion with Minimal Footprint
- Three SPI Masters, One SPI Slave
- Three UARTs
- Up to Two I2C Masters, One I2C Slave
- 1-Wire Master
- Full-Speed USB 2.0 Device with Internal Transceiver
- Sixteen Pulse Train (PWM) Engines
- Six 32-Bit Timers and 3 Watchdog Timers
- Up to 40 General-Purpose I/O Pins
- 10-Bit Delta-Sigma ADC Operating at 7.8ksps
- AES -128, -192, -256
- CMOS-Level 32kHz RTC Output Available in All Power Modes
- Power Management Maximizes Uptime for Battery Applications
- 106μA/MHz Active Current Executing from Cache<
- 49μA/MHz Active Current Executing from FlashWake-Up to 96MHz Clock or 4MHz Clock
- 600nA Low Power Mode (LP0) Current with RTC Enabled
- 2.56μW Ultra-Low Power Data Retention Sleep Mode (LP1) with Fast 5μs Wake-Up on 96MHz Clock Source
- 27μA/MHz Low Power Mode (LP2) Current
- Secure Valuable IP and Data with Robust Internal Hardware Security (MAX32626 Only)
- Trust Protection Unit (TPU) Provides ECDSA and Modular Arithmetic Acceleration Support
- PRNG Seed Generator
- Physical Specifications
- Wide Operating Temperature: -30°C to +85°C
- Package Options
- WLP-63
- TQFN-EP-68
- RoHS Compliant
Applications
- Sports Watches
- Smart Watches
- Fitness Monitors
- Wearable Medical Patches
- Portable Medical Devices
- Sensor Hubs
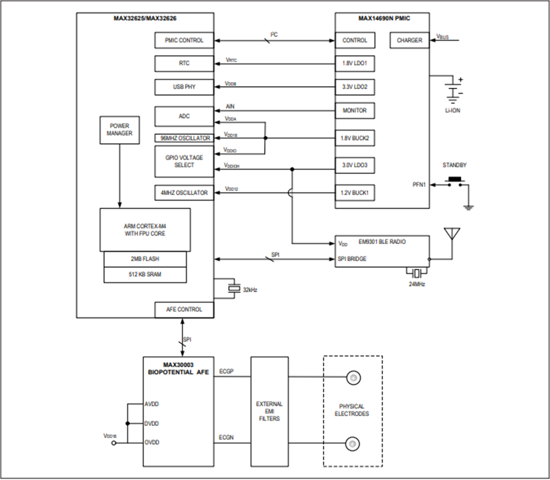
Block Diagram
Typical Application Circuit
Publié le: 2016-11-21
| Mis à jour le: 2023-04-21
