Analog Devices Inc. Contrôleur Buck-Boost automobile à pont en H MAX25431
Le contrôleur Buck-Boost automobile à pont en H MAX25431 d'Analog Devices Inc. fonctionne avec des tensions d'entrée allant de 6 V à 36 V tout en utilisant seulement 55μA de courant de repos sans charge. La large plage de tension d'entrée, combinée à la capacité de maintenir une tension de sortie continue pendant les transitoires de batterie, rend le MAX25431 idéal pour les applications automobiles.Pour les applications à faible charge, une entrée logique (FSYNC) permet aux dispositifs de fonctionner en mode de saut pour une consommation de courant réduite ou en mode MLI forcée à fréquence fixe. Le FSYNC élimine la variation de fréquence et aide à minimiser les EMI. Le contrôleur MAX25431 offre une fréquence de commutation programmable par résistance de 220 kHz à 2,2 MHz et peut être synchronisé à une horloge externe. Le contrôleur automobile MAX25431 d'Analog Devices présente une tension de sortie de 5 V fixe ou réglable de 3 V à 25 V. Les fonctions de protection incluent une limite du courant cycle par cycle suivie d'un hoquet en cas de surcharges soutenues, le verrouillage de sous tension (UVLO) d'entrée, la surtension contre les surtensions de sortie, et l'arrêt thermique avec récupération automatique.
Le contrôleur automobile Buck-Boost à pont en H MAX25431 est logé dans un petit boîtier TQFN-EP SW de 4 mm x 4 mm à 24 broches.
Caractéristiques
- Satisfont les exigences strictes de qualité et de fiabilité automobiles
- La plage de fonctionnement de VIN de 6 V à 36 V permet l'exploitation dans des conditions de démarrage à froid.
- Tolère les transitoires d'entrée jusqu'à 40 V
- Compatibles broches EN de +3,3 V à +40 V
- Plage de température automobile de -40 °C à +125 °C
- Homologués AEQ-100
- Solution efficace et de petite taille
- Mode saut pour une exploitation efficace à faible puissance
- Tension de sortie de 5 V fixe et réglable de 4 V à 25 V
- La fréquence de commutation élevée permet l'utilisation de petits composants externes
- Petit boîtier SWTQFN de 4 mm x 4 mm à 24 broches
- Un faible courant de repos aide les concepteurs à répondre aux exigences de courant FEO strictes
- 55 μA de courant de repos en mode veille
- Courant de repos de 10 μA (maximum) en arrêt
- Atténuation des EMI pour répondre aux exigences CISP25 de classe 5
- Fréquence de fontionnement de 220 kHz à 2,2 MHz
- Mode MLI à fréquence fixe
- Synchronisation de fréquence externe ou capacité SYNC OUT (sélectionnable par option OTP)
- Le spectre étalé peut être activé ou désactivé pour le CI par l'option OTP
Applications
- Systèmes d’info-divertissement
- Électrotechnique de carrosserie
- Systèmes de démarrage/arrêt
- Alimentation au point de charge
- Alimentation USB
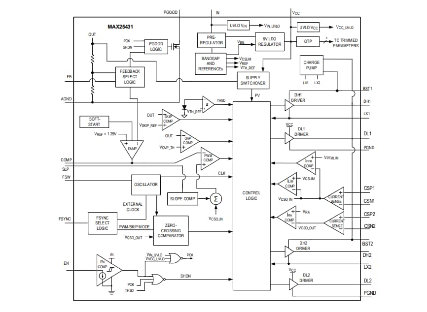
Schéma fonctionnel
