Analog Devices / Maxim Integrated Émetteur-récepteur semi-duplex RS-485/RS-422 MAX22506E
L'émetteur-récepteur semi-duplex RS-485/RS-422 MAX22506E Analog Devices est optimisé pour la communication à grande vitesse jusqu'à 50 Mbps. Ce émetteur-récepteur affiche une protection intégrée contre la permutation à chaud et un récepteur de sécurité intégré qui garantit un signal logique haut sur la sortie du récepteur lorsque les signaux d'entrée sont courts/ouverts pendant plus de 10 μs(standard). L'émetteur-récepteur semi-duplex RS-485/RS-422 MAX22506E fournit un grand hystérésis du récepteur qui améliore la réjection du bruit et uneintégrité de signal optimisée.Cet émetteur-récepteur fonctionne sur la plage de températures de -40C à +125 °C et est disponible dans un boîtier SOIC à 8 broches et μMAX à 8 broches. L’émetteur-récepteur MAX22506E est conçu pour fonctionner dans des environnements industriels difficiles et est optimisé pour des communications robustes dans des environnements avec des niveaux élevés d’interférences électromagnétiques (EMI). Les applications standard comprennent le contrôle des mouvements, les interfaces d’encodeur, les réseaux de bus de terrain, les systèmes de contrôle industriel et les bus de fond de panier.
Caractéristiques
- La protection intégrée améliore la robustesse :
- Plage de mode commun de -15 à 15 V
- Protection ESD ± 15 kV (modèle du corps humain)
- Protection ESD CEI 61000-4-2 barrière à espace à air de ± 7 kV
- Protection ESD de décharge par contact de ± 6 kV conforme à la norme CEI 61000-4-2
- Résiste à plus de ± 4 kV EFT
- Les sorties du pilote sont protégées contre les courts-circuits
- Fonctionnement à haute vitesse sur de longues distances :
- Débit de données jusqu’à 50 Mbit/s
- Haute sensibilité du récepteur
- Large bande passante du récepteur
- Seuils de réception symétrique
Caractéristiques techniques
- Plage de températures de stockage : de -65 à +150 °C
- Plage de tensions d’alimentation de 3 à 5,5 V
- Plage de température de fonctionnement de -40 °C à 125 °C
- Faible courant de fermeture de 5 µA(max)
Applications
- Contrôle de mouvement
- Interfaces d’encodeur
- Réseaux de bus de terrain
- Systèmes de contrôle industriel
- Bus de fond de panier
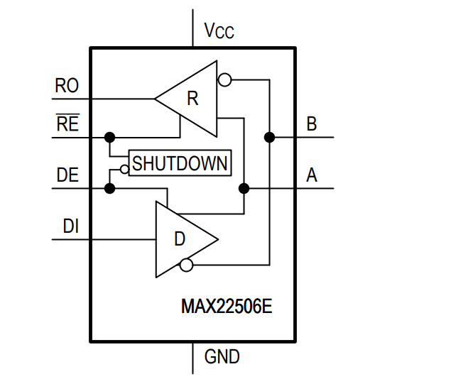
Schéma fonctionnel
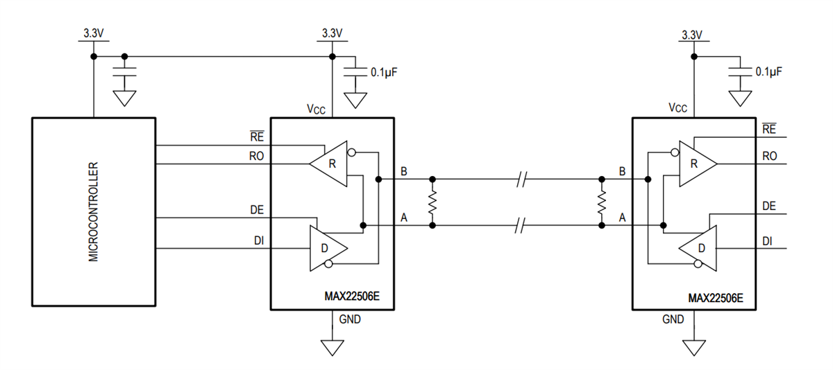
Schéma du circuit d'application
Publié le: 2021-03-30
| Mis à jour le: 2024-05-23
