Analog Devices Inc. Contrôleur Boost 36 V MAX20057
Le contrôleur élévateur 36 V MAX20057 d'Analog Devices Inc. est un PMIC à triple sortie hautement intégré conçu pour les applications automobiles. Le MAX20057 comprend deux convertisseurs Buck synchrones et un contrôleur élévateur asynchrone avec des options de 2,1 MHz et 400 kHz. Le contrôleur Boost peut fournir une alimentation aux convertisseurs buck et les maintenir en régulation pendant le fonctionnement du démarrage à froid jusqu'à une entrée de batterie de 2 V. Le CI fonctionne avec une alimentation de tension d'entrée de 3,5 V à 36 V et peut fonctionner dans des conditions de perte de niveau en fonctionnant à un rapport cyclique de 95 %.Le contrôleur élévateur 36 V MAX20057 d'ADI offre une fréquence de commutation élevée jusqu'à 2,1 MHz et permet de petits composants externes, une ondulation de sortie réduite et garantit l'absence d'interférence dans la bande AM. Les caractéristiques de protection comprennent une limitation de courant cycle par cycle et un arrêt thermique. Le contrôleur élévateur MAX20057 est spécifié pour un fonctionnement sur la plage de température automobile de -40 °C à +125 °C.
Caractéristiques
- Satisfait les spécifications strictes des modules OEM en matière de consommation électrique et de performances
- Courant d’alimentation de 10 μA avec buck 5 V activé
- Courant d’alimentation de 8 μA avec buck 3,3 V activé
- Courant d’alimentation de 30 μA avec tous les régulateurs activés
- Permet des conceptions prêtes à l’emploi
- Tensions de sortie en régulation via une manivelle froide jusqu’à la tension de batterie 2 V
- Large plage d’alimentation d’entrée de 3,5 V à 36 V
- Les caractéristiques de réduction EMI réduisent les interférences avec les bandes radio sensibles sans sacrifier la large plage de tension d’entrée
- Le temps d’allumage minimal de 20 ns (std) garantit une exploitation sans saut pour la sortie 3,3 V à 2,1 MHz
- Option de spectre étendu
- Synchronisation de la fréquence de boucle à phase asservie (BVP)
- L’intégration et les boîtiers thermiquement améliorés économisent de l’espace et des coûts sur la carte
- Deux convertisseurs buck 2,1 MHz avec un contrôleur boost asynchrone
- Contrôleur en mode courant avec modes de fréquence fixe forcée et de saut
- Boîtier EP TQFN 28 broches 5 mm x 5 mm endurci thermiquement
- Les caractéristiques de protection améliorent la fiabilité du système
- Verrouillage de la sous-tension d’alimentation
- Protection contre les surchauffes et les courts-circuits
Applications
- Systèmes démarrage/arrêt pour l'automobile
- Groupes d’instruments
- Systèmes d’alimentation CC distribués
- Unités de contrôle de la navigation et de la radio
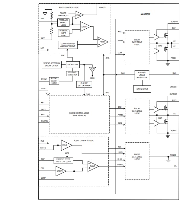
Schéma fonctionnel
Publié le: 2020-12-23
| Mis à jour le: 2024-08-12
