Analog Devices Inc. Contrôleur Buck-Boost à pont en H MAX20048
Le contrôleur Buck-Boost à pont en H MAX20048 d'Analog Devices Inc. est un contrôleur Buck-Boost en mode courant. Le dispositif fonctionne avec des tensions d’entrée de 4,5 V à 36 V tout en utilisant seulement 55 µA de courant de repos à vide. Une fois les conditions de démarrage satisfaites, le dispositif peut fonctionner sur une plage de tension d’entrée étendue de 2 V à 36 V. La fréquence de commutation est programmable par résistance de 220 kHz à 2,2 MHz et peut être synchronisée avec une horloge externe. La tension de sortie du composant est disponible en 5 V fixe ou réglable de 4 V à 25 V. La large plage de tension d’entrée, ainsi que sa capacité à maintenir une tension de sortie constante en cas de transitoires de la batterie, rendent ce composant idéal pour les applications automobiles. Dans les applications à faible charge, une entrée logique (FSYNC) permet aux dispositifs de fonctionner en mode saut pour une consommation de courant réduite ou en mode PWM forcé à fréquence fixe pour éliminer les variations de fréquence et aider à minimiser les EMI. Les fonctions de protection comprennent une limitation de courant cycle par cycle et un arrêt thermique avec récupération automatique. Le MAX20048 est disponible en petit boîtier SW TQFN-EP à 24 broches de 4 mm x 4 mm.Caractéristiques
- Satisfont les exigences strictes de qualité et de fiabilité automobiles
- La plage de fonctionnement VIN de 2 V à 36 V permet un fonctionnement dans des conditions de manivelle froide
- Tolère les transitoires d’entrée jusqu’à 40 V
- Brochage compatible EN de +3,3 V à +40 V
- Plage de températures automobiles : de -40 à +125 °C
- Homologué AEC-Q100
- Une solution efficace dans une solution de petite taille
- Mode saut pour une exploitation efficace à faible puissance
- Tension de sortie de 5 V fixe et réglable de 4 V à 25 V
- La fréquence de commutation élevée permet l'utilisation de petits composants externes
- Boîtier TQFN SW 24 broches 4 mm x 4 mm
- Le faible courant de repos aide les concepteurs à répondre aux exigences strictes des équipementiers en matière de courant
- Courant de repos de 55 µA en mode veille
- Courant de repos de 10 µA (maximum) à l’arrêt
- Atténuation EMI pour répondre aux exigences CISPR25 classe 5
- Fréquences de fonctionnement de 220 kHz à 2,2 MHz
- Mode MLI à fréquence fixe
- Synchronisation de fréquence externe ou capacité SYNC OUT (sélectionnable par option OTP)
- Le spectre étendu peut être activé ou désactivé pour le CI par l’option OTP
Applications
- Groupes d’instruments
- Alimentations électriques au point de charge.
- Écrans distants
- Systèmes de démarrage/arrêt
- Alimentation USB
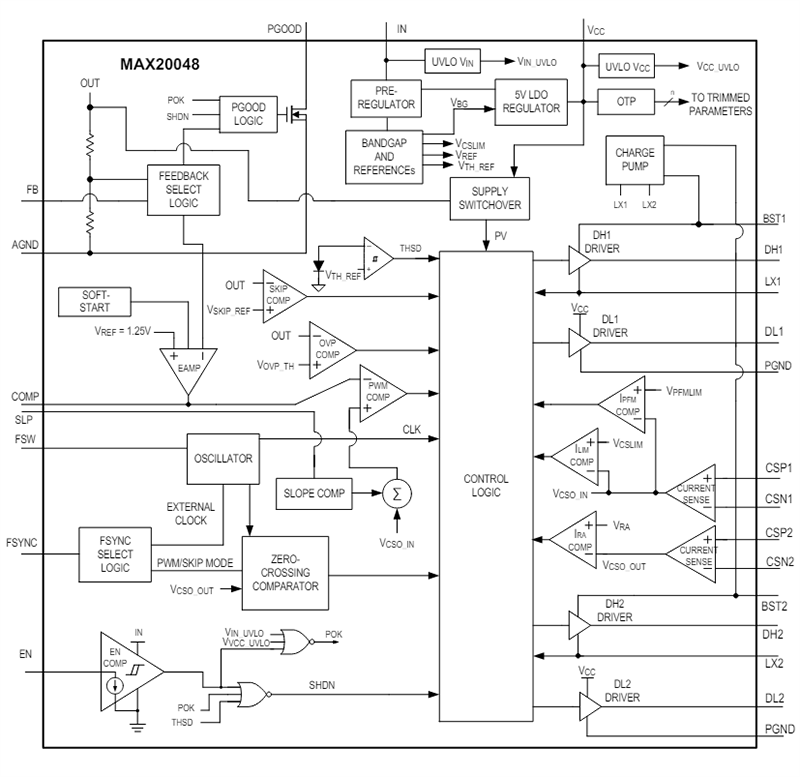
Schéma fonctionnel
Circuit d'application standard
Agencement de carte PCB recommandé
Publié le: 2020-04-22
| Mis à jour le: 2024-05-14
