Analog Devices Inc. Contrôleurs abaisseurs automobiles MAX20030/1
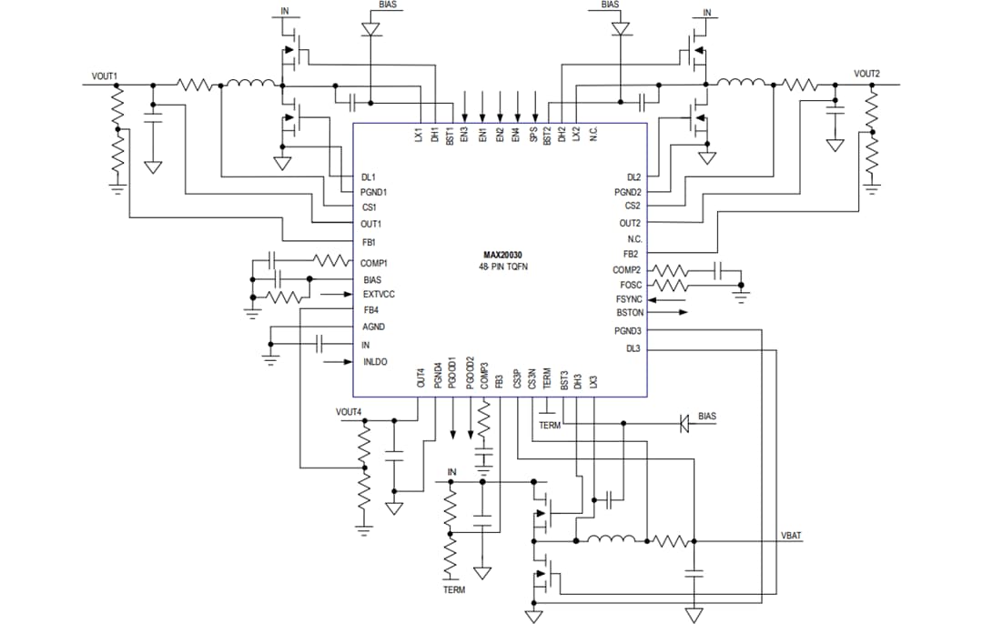
Les contrôleurs de réduction de tension automobile Analog Devices Inc. MAX20030 et MAX20031 sont des contrôleurs de réduction de tension double-synchrone de 2,2 MHz avec un contrôleur de pré-boost intégré et un régulateur de tension basse consommation. Le contrôleur de pré-boost permet à VOUT1 et VOUT2 de rester en régulation pendant l'exploitation de démarrage à froid jusqu'à une entrée de batterie de 2 V. Le MAX20030 et le MAX20031 offrent deux contrôleurs abaisseurs synchrone à haute tension qui fonctionnent en phase de 180 °. Ces composants fonctionnent avec une alimentation en tension d'entrée de 3,5 V à 42,0 V et peuvent fonctionner dans des conditions de perte de niveau en fonctionnant à un rapport cyclique de 97 %. Ces contrôleurs abaisseurs sont idéaux pour les applications ayant des exigences de moyenne à haute puissance qui fonctionnent sur une large plage de tension d'entrée, telles que le démarrage automobile à froid ou les arrêts et redémarrages fréquents du moteur.Les contrôleurs abaisseurs MAX20030 et MAX20031 fonctionnent à une fréquence pouvant atteindre 2,2 MHz, permettant l'utilisation de petits composants externes, réduisant l'ondulation de sortie et éliminant le brouillage de la bande AM. La fréquence de commutation est réglable par résistance de 220 kHz à 2 200 kHz. La programmabilité de l'entrée SYNC permet trois modes de fréquence pour une performance optimisée : l'exploitation forcée à fréquence fixe, le mode de saut avec un courant de repos ultra-bas, et la synchronisation à une horloge externe. Ces dispositifs ont un spectre étalé broche pour modulation de fréquence afin de minimiser les interférences électromagnétiques interférence.
Les MAX20030 et MAX20031 disposent d'un moniteur de bonne alimentation et d'un verrouillage de surtension et de sous-tension. Les caractéristiques de protection comprennent une limitation de courant cycle par cycle et un arrêt thermique. Ces contrôleurs abaisseurs sont proposés dans un boîtier TQFN48 endurci thermiquement avec une plaquette exposée.
Caractéristiques
- Répond aux spécifications strictes des modules OEM en matière de consommation d’énergie et de performances.
- IQ de 17 µA avec Buck allumé de 3,3 V
- IQ 25 µA avec Buck allumé 5 V
- IQ 25 µA avec LDO allumé
- IQ 65 µA avec tous les contrôleurs activés
- Permet des conceptions prêtes à l'emploi avec un convertisseur boost synchrone pour une capacité de courant et une efficacité élevées.
- Les caractéristiques de réduction des EMI réduisent les interférences avec les bandes radio sensibles, sans sacrifier une large plage de tensions d’entrée
- Le temps d'allumage minimal de 50 ns (standard) garantit une exploitation sans saut pour une sortie de 3,3 V à partir d'une batterie automobile à 2 MHz
- Exploitation MLI à fréquence fixe forcée
- Fréquence programmable par résistance entre 220 kHz et 2 MHz
- Spectre étalé sélectionnable par broche
- L’intégration et les boîtiers thermiquement améliorés permettent d’économiser de l’espace sur les cartes et de réduire les coûts.
- Double contrôleur abaisseur 2,2 MHz avec contrôleur Boost synchrone et LDO HT 200 mA
- Contrôleur en mode courant avec modes de fréquence fixe forcée et de saut
- Boîtier TQFN de 48 broches de 7 mm x 7 mm thermiquement amélioré avec patte exposée
- Les caractéristiques de protection et les boîtiers améliorent la fiabilité du système
- Verrouillage de surtension et de sous-tension d'alimentation
- Protections contre les surchauffes et les courts-circuits
Applications
- Console d’instruments
- Systèmes d’alimentation CC distribués
- Unités de contrôle de la navigation et de la radio
Schéma fonctionnel
Circuit d’applications standard
