Analog Devices / Maxim Integrated Contrôleur de chargeur de batterie MAX17702

Le contrôleur de chargeur de batterie au plomb abaisseur MAX17702 d'Analog Devices est un contrôleur de chargeur de batterie au plomb (Pb-Acid) Himalaya abaisseur synchrone, haute tension et haut rendement conçu pour fonctionner sur une plage de tension d’entrée de 4,5 V à 60 V.

Le contrôleur de chargeur de batterie au plomb MAX17702 d'Analog Devices fonctionne sur une large plage de température de -40 °C à +125 °C et fournit une solution de chargement complète pour les batteries au plomb avec une régulation précise du courant constant de ± 4 %. La tension de sortie est programmable de 1,25 V à (VCCIN - 2,1 V) avec une précision de régulation de ± 1 %. Le dispositif utilise un nMOSFET externe pour fournir une protection contre les courts-circuits côté alimentation d’entrée, empêchant ainsi la décharge de la batterie.

Le MAX17702 charge la batterie dans les états de courant constant (CC), de tension d’absorption constante (CV), et entre dans l’état de CV flottant après avoir détecté le seuil de courant d’effacement ou le délai de temporisation de CV d’absorption dans l’état de CV d’absorption. Un comparateur de détection de décharge profonde permet la détection et le préconditionnement des batteries fortement déchargées.

Le MAX17702 est logé dans un boîtier TQFN à 24 broches de 4 x 4 mm avec pastille exposée.

Caractéristiques

  • Ensemble de caractéristiques optimisées pour les batteries au plomb
    • Précision de régulation du courant de charge de ± 4 %
    • Précision du moniteur de courant de charge (ISMON) de ± 6 %
    • Précision de la régulation de tension de ± 1 %
    • Courant de charge en mode courant constant (CC) programmable (ILIM)
    • Détection de batterie totalement chargée avec seuil de courant du potentiomètre et minuteur du CV d’absorption (TMR)
    • Large plage de tensions d’entrée de 4,5 à 60 V
    • Plage de tensions de sortie réglable de 1,25 V à (VCCIN - 2,1 V)
    • Fréquence réglable de 125 kHz à 2,2 MHz avec
    • Synchronisation de l’horloge externe (RT/SYNC)
  • Fonctionnement fiable dans les environnements hostiles
    • Protection contre les courts-circuits d’entrée (GATEN)
    • Détection et préconditionnement de batterie à décharge profonde (DDTH)
    • Détection de la température de la batterie et charge dans la plage des températures (TEMP)
    • Compensation de la température de sortie
    • Limite de surintensité cycle par cycle
    • Seuil EN/UVLO programmable
    • Surveillance de sortie d’état à l’aide de sorties à drain ouvert (FLG1 et FLG2)
    • Protection contre les surchauffes
    • Large plage de températures de fonctionnement ambiantes de -40 °C à +125 °C / plage de températures de jonction de -40 °C à +150 °C

Applications

  • Recharge de batterie industrielle et stockage d’énergie
  • Outils électriques
  • Batterie de secours pour l’éclairage, les caméras de sécurité et les panneaux de commande
  • Équipements industriels portables
  • Alimentation de secours pour l’automatisation résidentielle et commerciale

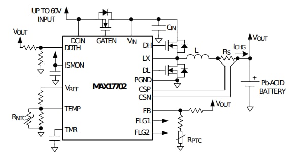
Circuits d’application simplifiés

Schéma du circuit d'application - Analog Devices / Maxim Integrated Contrôleur de chargeur de batterie MAX17702
Publié le: 2021-05-27 | Mis à jour le: 2023-04-12