Analog Devices Inc. Pilote/contrôleur d'entraînement pas à pas intelligent intégré TMC5241
Les pilotes et contrôleurs pas à pas intégrés intelligents TMC2241 d'Analog Devices sont des circuits intégrés (CI) de pilote de moteur pas à pas et de contrôleur de mouvement hautement intégrés de 65 V, 2 ARMS conçus pour un positionnement précis et un contrôle de mouvement fluide dans les applications embarquées. Le TMC5241 d'ADI combine un contrôleur de mouvement bi-axial avec une technologie de pilote pas à pas avancée, prenant en charge jusqu’à deux moteurs pas à pas avec une micro-démarche pouvant atteindre 256 pas par pas complet. Les dispositifs intègrent la technologie StealthChop2™ pour un fonctionnement ultra-silencieux et la technologie SpreadCycle™ pour un couple et une efficacité optimisés. Le moteur de mouvement intégré permet des profils de positionnement sophistiqués, y compris des mouvements linéaires et inclinés, sans nécessiter d’intervention en temps réel du processeur hôte.La communication est facilitée par les interfaces SPI et UART, et le TMC5241 offre un diagnostic complet, une détection d’arrêt via StallGuard2™, et une optimisation de l’énergie grâce à CoolStep™. Avec une large plage de tension d’alimentation et des fonctionnalités de protection robustes, ces circuits intégrés ADI sont idéaux pour des applications telles que la sécurité, la médecine et l’automatisation industrielle, où la précision, la fiabilité et le faible niveau de bruit sont essentiels.
Caractéristiques
- Plage de tension de 4,5 VCC à 65 VCC
- Faible RON standard de 0,31 Ω (HS + LS) à +25 °C
- Valeurs nominales de courant typiques par pont H à +25 °C
- IRMS = 2 ARMS (crête sinusoïdale de 2,8 A) à VS = 24 V
- IRMS = 1,7 ARMS (crête sinusoïdale de 2,4 A) à VS = 48 V
- Détection de courant sans perte entièrement intégrée
- Contrôleur de mouvement 8 points pour une secousse minimale
- SPI et UART à fil unique
- Interface d’encodage et 2 entrées de commutateur de référence
- Haute résolution de 256 micro-pas par pas complet
- Table d’ondes flexible et déphasage pour correspondre au moteur
- Fonctionnement moteur silencieux StealthChop2
- Hacheur de contrôle de moteur hautement dynamique SpreadCycle
- Combinaison sans secousses de StealthChop2 et SpreadCycle
- Détection de charge moteur sans capteur StallGuard2 et StallGuard4
- Contrôle du courant CoolStep pour une économie d’énergie pouvant atteindre 75 %
- Mode roue libre et freinage passif
- Estimation de température de phase moteur
- Mesure de température de puce
- Entrée analogique à usage général
- Protection et diagnostic complets
- Sortie de protection contre les surtensions
- Boîtier compact TQFN38 de 5 mm x 7 mm à pastille exposée
- Conforme RoHS
Applications
- Machines textiles, à coudre et à tricoter
- Automatisation de laboratoire et d'usine
- Imprimantes de cartes/documents d'identité
- Manipulation de liquides
- Médical
- Automatisation de bureau et traitement du papier
- Point de vente (PDV)
- Chaises de massage
- Guichets automatiques, recycleurs/machines de trésorerie et validateurs de billets
- Vidéosurveillance et sécurité
- Pompes et contrôle de vannes
- Positionnement d'héliostat et d'antenne
- Éclairage de scène
Caractéristiques techniques
- Source d’alimentation
- Plage de tension d'alimentation de 4,5 V à 65 V
- Consommation de courant en mode veille maximale de 25 μA
- Consommation de courant en repos maximale de 6 mA
- Tension de sortie du régulateur typique de 1,8 V
- Limite de courant VDD minimale de 20 mA
- Fourchette de tension d'alimentation E/S logique de 2,2 V à 5,5 V
- Consommation de courant en mode veille maximale de 10 μA
- Consommation de courant au repos maximale de 60 μA
- Plage de tension d'alimentation de 4,5 V à 65 V
- E/S niveau logique
- Plage de résistance interne de rappel vers le haut/vers le bas de 60 kΩ à 140 kΩ
- Fuite d'entrée de ±1 μA
- Basse tension logique de sortie maximale de 0,4 V
- Fort courant de fuite logique de sortie en drain ouvert ±1 μA
- Niveau de tension SLEEPN élevé de 0,9 V minimum
- Niveau de tension SLEEPN faible de 0,6 V maximum
- Résistance d'entrée de rappel vers le bas SLEEPN typique de 1,5 MΩ
- Sortie
- Plage de résistance à l'état passant de 0,3 Ω à 0,75 Ω côté bas
- 0,3 Ω de résistance à l'état passant maximale côté haut
- Plage de fuite de sortie de ±10 μA
- Vitesse de balayage en sortie typique de 100 V/μs à 800 V/μs
- Circuits de protection
- Plage de seuil de protection contre les surintensités de 1,67 A à 5,0 A
- Intervalle de temps de masquage de la protection contre les surintensités de 0,9 μs à 2,3 μs
- Seuil UVLO de 3,75 V à 4,05 V sur VS
- Seuil UVLO typique de 0,12 V sur l’hystérésis VS
- Seuil de sous-tension (UVLO) de 0,9 V à 1,95 V sur la plage VCC_IO
- Hystérésis UVLO de 100 mV standard pour VVCC_IO
- Température de seuil de protection thermique typique de +165 °C
- Hystérésis de la température de protection thermique typique de +20 °C
- Régulation du courant
- Plage de résistance de la broche de 12 kΩ à 60 kΩ IREF
- Plage de tension de sortie de 0,882 V à 0,918 V IREF
- Précision de régulation de ±7 %
- Désaccord typique de régulation du courant entre les phases de 0,7 %
- Délai fonctionnel maximum
- Temps de VEILLE de 50 μs
- Temps de réveil de VEILLE de 2,5 ms
- Temps d’activation de 1,5 μs
- Temps de désactivation de 6 μs
- Horloge
- Plage de fréquence d’horloge interne de 11,9 MHz à 13,2 MHz
- Plage de fréquence d’horloge externe de 8 MHz à 20 MHz
- Plage de cycle de travail de l’horloge externe de 40 % à 60 %
- Fréquence seuil minimale inférieure de détection de l'horloge externe de 4 MHz
- Synchronisation SPI
- Temps minimum de 20 ns de bas/haut SCK
- Fourchette de fréquence SCK de 5 MHz à 8 MHz
- Temps de préparation minimum de 10 ns de SDI avant le front montant de SCK
- Temps d'attente SDI minimum de 10 ns après le front montant de SCK
- Intervalle de temps de sortie de données valide de 50 ns à 80 ns après le front descendant de SCK
- Temps de retard de filtre SDI, SCK et CSN typique de 10 ns
- Convertisseur analogique-numérique (CAN) / entrée analogique / température
- Résolution CAN typique de 13 bits
- Plage de tension d'entrée analogique de 0 V à 1,25 V
- Plage de fuite d'entrée analogique de ±1 µA
- Fréquence d'entrée analogique maximale de 70 kHz
- Précision de température de pilote typique de ±10 °C
- Plage de précision de mesure de la tension d'alimentation de ±4 % à ±7 %
- Résistance thermique
- Circuit imprimé monolithique
- 38 °C/W jonction à l’environnement ambiant
- Jonction vers boîtier 1°C/W
- Carte 4-layer
- 28 °C/W jonction à l’environnement ambiant
- Jonction vers boîtier 1°C/W
- Circuit imprimé monolithique
- Températures maximales
- Plage de fonctionnement de -40 °C à +125 °C
- Jonction à +165 °C
- Soudure par refusion à +260 °C
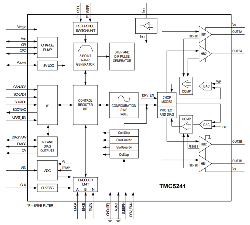
Schéma fonctionnel
Publié le: 2025-11-18
| Mis à jour le: 2026-01-27
