Analog Devices Inc. Convertisseurs Buck-Boost MAX26040
Les convertisseurs Buck-Boost MAX26040 d’Analog Devices proposent des commutateurs intégrés côté haut et côté bas. Les petits convertisseurs synchrones présentent jusqu’à 1,2 A avec des tensions d’entrée de 4,5 V à 36 V tout en utilisant un courant de repos à vide de seulement 52 μA. Les dispositifs fournissent une tension de sortie précise de ±2 %. La qualité de la tension peut être surveillée par le signal de bonne alimentation (PGOOD).Le MAX26040 d’ADI utilise une tension de sortie fixe de 5 V et une plage programmable de 4 V à 15 V. La fréquence est réglable de 220 kHz à 2,2 MHz, ce qui permet d’utiliser de petits composants externes et de réduire l’ondulation de sortie. Les circuits intégrés peuvent fonctionner avec une modulation de fréquence à spectre étalé, qui a été créée pour minimiser les émissions de brouillage électromagnétique (EMI) dues à la fréquence de modulation.
Le MAX26040 est logé dans un boîtier TQFN de petite taille (4 mm x 4 mm) à 20 broches, à flancs mouillables et utilise peu de composants externes.
Caractéristiques
- Haute tension, haute efficacité, faible puissance
- Exploitation d’alimentation de 4,5 V à 36 V
- Supporte les transitoires d’entrée jusqu’à 40 V
- Broche compatible EN de 3,3 V à 40 V
- Courant de sortie de 1,2 A (max)
- Plage de température de -40 °C à +125 °C
- Efficacité accrue avec réduction du coût de la nomenclature (BOM) et de l’espace de la carte
- Architecture de pont en H avec transistors à effet de champ (FET) intégrés
- Tensions de sortie fixes
- Boîtier SWTQFN à 20 broches
- Un faible courant de repos aide les concepteurs à répondre aux exigences strictes du fabricant d’équipement d’origine (FEO) en matière de courant
- Courant de repos de 52 µA en mode veille
- Courant de repos de 10 µA (max) en mode arrêt
- La fréquence de commutation élevée permet l'utilisation de petits composants externes
- Fréquence de fonctionnement de 200 kHz à 2,2 MHz
- Mode saut pour une exploitation efficace à faible puissance
- Mode de modulation MLI (modulation par largeur d’impulsion) à fréquence fixe
- Synchronisation de fréquence externe
- Réduction des émissions EMI à la fréquence de commutation - le spectre étalé peut être activé ou désactivé
Applications
- Télécommunications, serveurs et équipements de réseau
- Applications industrielles de 12 V/24 V
- Alimentation électrique du point de charge (POL)
Circuit de fonctionnement standard
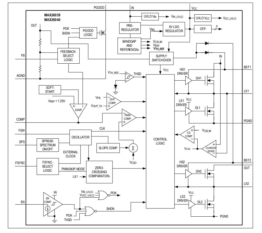
Schéma de fonctionnement
Publié le: 2025-05-15
| Mis à jour le: 2025-06-03
