Analog Devices / Maxim Integrated Quadruples pilotes à demi-pont en H MAX22208
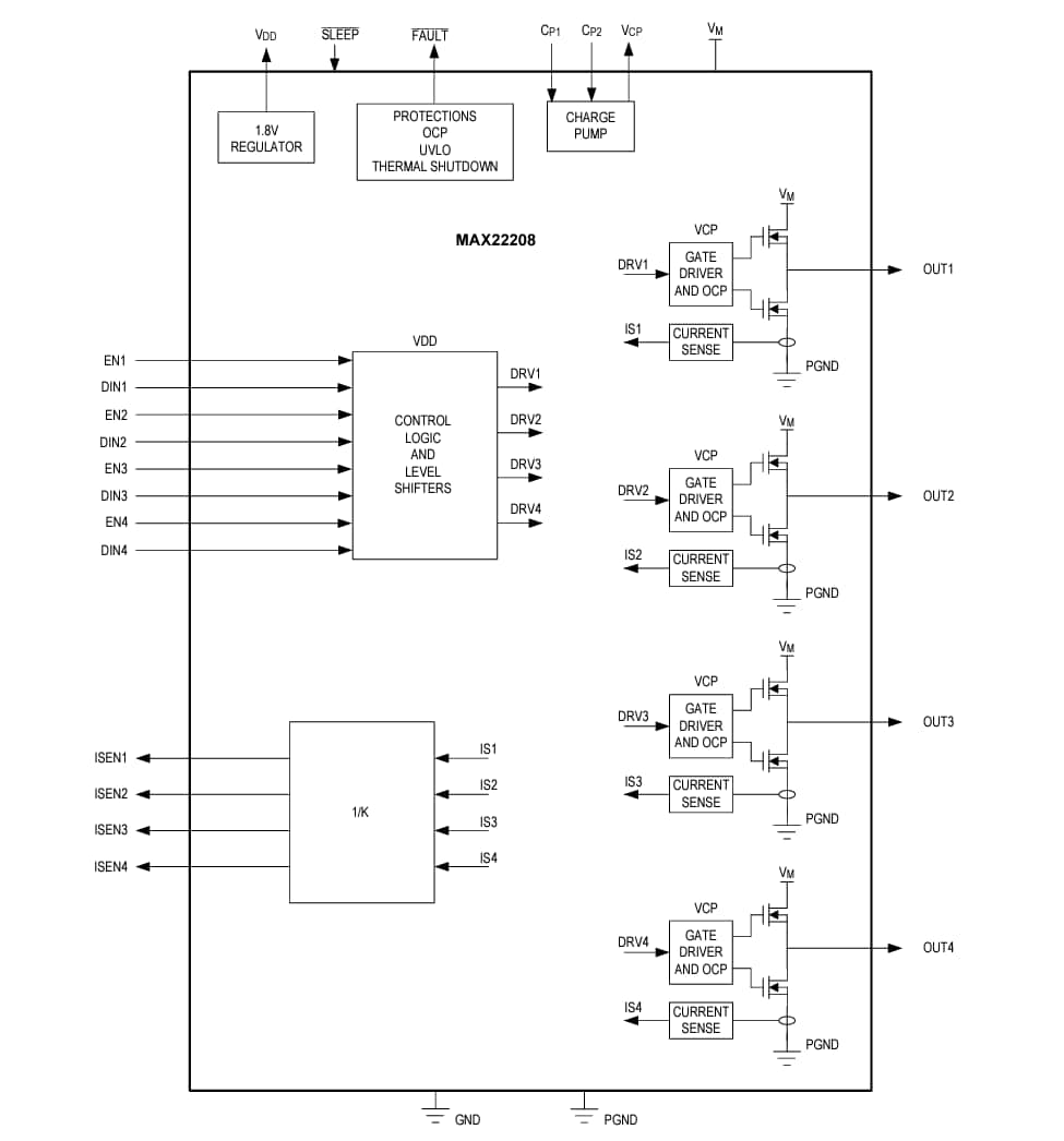
Les quatre pilotes à demi-pont en H MAX22208 d'Analog Devices disposent de quatre pilotes à demi-pont en H 65 V contrôlables individuellement. Ces dispositifs peuvent être mis en œuvre pour piloter quatre solénoïdes, un seul moteur pas-à-pas, deux moteurs CC à balais ou une combinaison de charges différentes.Les FET de puissance offrent une impédance très faible, permettant une haute efficacité de pilotage et une faible dissipation de chaleur. La RON totale standard (côtés haut et bas) est de 0,3 Ω (std). Chaque demi-pont peut être individuellement contrôlé par la modulation à largeur d’impulsion (MLI) à l’aide de deux entrées logiques (DIN, EN).
Le MAX22208 d’ADI intègre une détection de courant non dissipateur, éliminant les résistances de puissance externes encombrantes nécessaires pour cette fonction. L’intégration permet d’économiser beaucoup d’espace et d’énergie par rapport aux applications courantes basées sur la résistance de détection externe.
Un courant proportionnel au courant de charge détecté en interne est émis vers les broches externes de surveillance du courant (ISEN). La fixation d’une résistance externe à ces broches génère une tension proportionnelle au courant du moteur. La chute de tension à travers les résistances externes peut être entrée dans le CAN du contrôleur chaque fois que l’algorithme de contrôle nécessite les informations de courant/couple.
Le courant maximal de sortie par demi-pont en H est : IMAX = 3,8 A et est limité par le circuit de protection contre les surintensités (OCP). Ce courant peut être piloté pour des transitoires très courts et vise à piloter efficacement de petites charges capacitives.
Le MAX22208 est logé dans un petit boîtier TQFN à 38 broches de 5 mm x 7 mm et TSSOP de 4,4 mm x 9,7 mm à 38 broches également.
Caractéristiques
- Quatre pilotes à demi-pont en H indépendants
- Tension de fonctionnement maximale de 65 V
- RON de 0,3 Ω (std) (côtés haut et bas) à TA = +25 °C
- Contrôle demi-pont entièrement indépendant
- Courant nominal par pont en H (TA = +25 °C) :
- IMAX = 3,8 A (courant d’impulsion pour piloter des charges capacitives)
- IRMS= 2 A
- La détection de courant intégrée (ICS) élimine les résistances externes encombrantes et améliore l'efficacité
- Moniteur de sortie à détection de courant
- Broche d'indicateur de défaillance (FAULT)
- Protection contre les surintensités (OCR) pour chaque canal individuel
- Verrouillage de sous-tension (UVLO)
- Arrêt thermique TSD = +155 °C
- Boîtiers TSSOP à 38 broches de 5 mm x 7 mm et TQFN de 4,4 mm x 9,7 mm à 38 broches également
Applications
- Pilote de moteur CC à balais
- Pilote de moteur pas-à-pas
- Pilote de solénoïde
- Vannes verrouillées
Caractéristiques techniques
- Plage de tension d’alimentation de 4,5 V à 65 V
- Consommation de courant en mode veille de 20 μA
- Consommation de courant de repos de 5 mA
- Limite de courant VDD de 18 mA
- Hystérésis d’entrée de 110 mV
- Résistance à l’état passant côté bas de la sortie de 270 mΩ
- Résistance à l’état passant côté haut de la sortie de 270 mΩ
- Vitesse de balayage en sortie de 300 V/s
Schéma fonctionnel simplifié
Schéma de fonctionnement
