Analog Devices Inc. Système numérique de mesure de température LTM2985
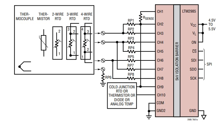
Le système de mesure de température numérique isolé de haute précision LTM2985 d'Analog Devices Inc. mesure une large variété de capteurs de température et produit numériquement le résultat, en °C ou °F, avec une précision de 0,1 °C et une résolution de 0,001 °C. Le LTM2985 mesure la température de pratiquement tous les thermocouples standard (type B, E, J, K, N, S, R, T) ou personnalisés. Le dispositif compense automatiquement les températures de jonction froides et linéarise les résultats. De plus, le système numérique de mesure de la température LTM2985 mesure la température avec des RTD, thermistances et diodes standard à 2, 3 ou 4 fils.Le LTM2985 dispose de sources de courant d'excitation et d'un circuit de détection de défaillance adapté à chaque type de capteur de température.
Le LTM2985 offre un logiciel de système isolé de mesure de température à 10 canaux compatible avec le LTC2986-1. Il fournit une alimentation isolée de 5 kV et une interface SPI au convertisseur température-bits de précision. Le LTM2985 intègre une EEPROM programmable par l'utilisateur pour des données de capteur personnalisées.
Caractéristiques
- Alimentation isolée 5 000 Vrms et interface SPI
- Numérise directement les RTD, thermocouples, thermistances et diodes à 2, 3 ou 4 fils
- 10 entrées flexibles permettent d'interchanger les capteurs
- Compensation de jonction à froid automatique par thermocouple
- Coefficients intégrés standard et programmables par l'utilisateur pour les thermocouples, les RTD et les thermistances
- Détection automatique de brûlure, de court-circuit et de défaillance
- Les entrées tamponnées permettent une protection externe
- Réjection simultanée de 50 Hz/60 Hz
- Inclut une référence de 15 ppm/°C (max.)
- Comprend des modes de protection spéciaux
- L'EEPROM sur puce stocke les données de configuration de canal et les coefficients personnalisés
Applications
- Mesures directes du thermocouple
- Mesures RTD directes
- Mesures directes de thermistance
- Applications de capteurs personnalisées
Ressources supplémentaires
Application standard
Contribution d'erreur de température standard
Publié le: 2022-01-13
| Mis à jour le: 2022-03-11
