Analog Devices Inc. LTC2344-16/18 Quad Differential SoftSpan ADCs
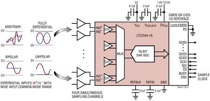
Analog Devices Inc. LTC2344-16/18 Quad SoftSpan ADCs with Wide Input Common-Mode Range are 16-bit and 18-bit, 400ksps/ch differential ADCs. The LTC2344-16/18 are low noise with simultaneous sampling successive approximation register (SAR) and four simultaneous sampling channels. Each channel can be independently configured on a conversion-by-conversion basis operating from a 5V supply and using the internal reference and buffer. The SoftSpan™ ADCs accept ±4.096V, 0V to 4.096V, ±2.048V, or 0V to 2.048V signals for the conversion-by-conversion basis, and individual channels can be disabled. This aids the device in increasing throughput to the remaining channels.Analog Devices ADCs can directly digitize a variety of signals with the wide input common-mode range and 102dB CMRR, simplifying signal chain design. The LTC2344-16/18 ADC is an excellent choice for many applications requiring a wide dynamic range. Applications include programmable logic controllers and medical imagining, along with others.
The pin-selectable SPI CMOS (1.8V to 5V) and LVDS serial interfaces are both supported by the SoftSpan ADC. Activating CMOS mode, between one and four lanes of data output may be used, optimizing bus width and throughput.
Features
- General
- 400ksps per channel throughput
- Four simultaneous sampling channels
- Differential, wide common-mode range inputs
- −114dB THD (Typical) at fIN = 2kHz
- 102dB CMRR (Typical) at fIN = 200Hz
- Rail-to-rail input overdrive tolerance
- Guaranteed operation to +125°C
- Integrated reference and buffer (4.096V)
-
- SPI CMOS (1.8V to 5V) and LVDS serial I/O
- Internal conversion clock, no cycle latency
- 81mW power dissipation (typical)
- 32-lead (5mm × 5mm) QFN package
- LTC2344-16
- ±1.25LSB INL (maximum)
- Guaranteed 16-bit, no missing codes
- 93.4dB single-conversion SNR (typical)
- LTC2344-18
- ±4LSB INL (maximum, ±4.096V range)
- Guaranteed 18-bit, no missing codes
- 95dB single-conversion SNR (typical)
Applications
- Programmable logic controllers
- Industrial process control
- Medical imaging
- High speed data acquisition
LTC2344-16 Typical Application
LTC2344-18 Typical Application
Datasheets
Publié le: 2017-04-25
| Mis à jour le: 2022-03-11
