Analog Devices Inc. Contrôleurs Buck-Boost USB de Type C™ LT8253/LT8253A
Les contrôleurs Buck-Boost USB Type-C™ LT8253 et LT8253A d'Analog Devices Inc. offrent une alimentation synchrone à 4 commutateurs optimisée pour l'alimentation USB-C automobile. Les contrôleurs sont conformes à la spécification d'alimentation (PD) USB lorsqu'ils sont utilisés en conjonction avec un contrôleur de port USB Type-C ou PD.Les contrôleurs Buck-Boost USB Type-C LT8253 et LT8253A d'ADI peuvent contrôler la vitesse de balayage de la tension de sortie via la broche FB. Le LT8253 fournit une puissance de sortie pouvant atteindre 100 W avec un rendement maximal de 98 % lorsqu'il fonctionne sous la bande AM. Pendant ce temps, le LT8253A fournit une puissance de sortie jusqu'à 60 W avec un rendement maximal de 95 % lorsqu'il fonctionne au-dessus de la bande AM.
Les LT8253 et LT8253A permettent une sortie Buck-Boost unique pour 1 port Type-C avec un indicateur de bonne alimentation. Ces composants prennent en charge des protections contre les surintensités, les surtensions et les courts-circuits.
Caractéristiques
- Architecture Buck-Boost propriétaire à faible EMI
- Large plage d'entrée de 4 V à 40 V
- Commutation synchrone jusqu'à un rendement de 98 %
- Régulation de tension de sortie ±1,5 %
- La sortie simple prend en charge 1 port Type-C jusqu'à 100 W
- Fonction d'activation de canal de sortie
- Fréquence de commutation programmable avec synchronisation externe et spectre étalé
- Protection contre les surintensités, les surtensions et les courts-circuits
- Disponible en boîtier QFN brasable côté 28 fils
- Homologation AEC-Q100 en cours
Applications
- Alimentation automobile USB-C
- Régulateur de tension à usage général
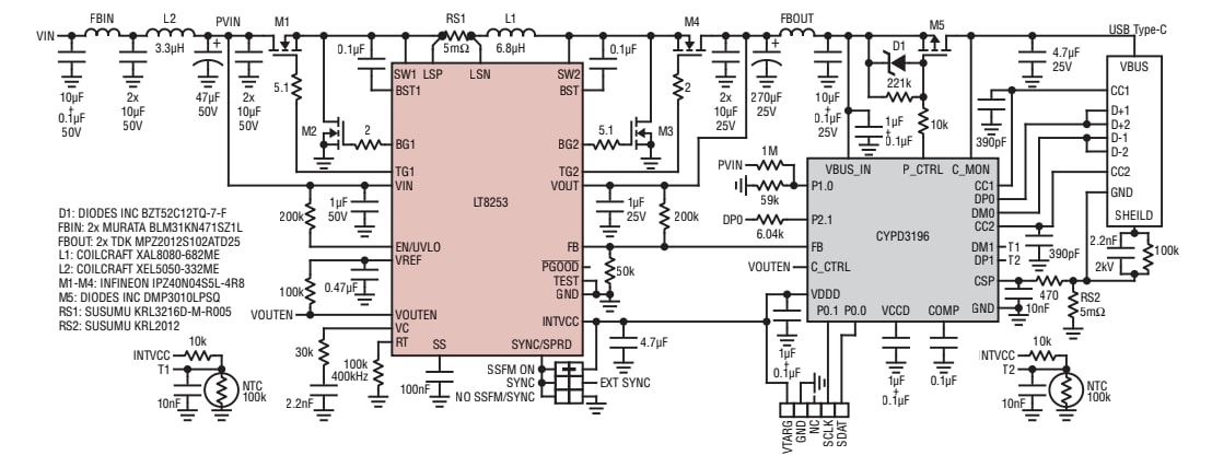
Application standard
Schéma fonctionnel
Publié le: 2022-03-29
| Mis à jour le: 2022-07-05
