Analog Devices Inc. Carte d'évaluation EVAL-LTC3313EV-A-Z
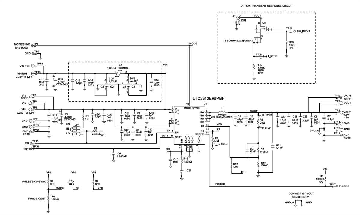
La carte d'évaluation EVAL-LTC3313EV-A-Z d'Analog Devices Inc. est conçue pour fonctionner en mode continu forcé avec une fréquence de commutation de 2 MHz. Cette carte d'évaluation dispose du commutateur silencieux abaisseur synchrone Silent Switcher® LTC3313 qui fonctionne comme un convertisseur Buck de sortie 1,2 V et 15 A. La carte EVAL-LTC3313EV-A-Z peut également fonctionner à différentes fréquences de commutation ou en mode saut d'impulsion. L'oscillateur LTC3313 peut également se synchroniser avec une horloge externe à l'aide d'une borne en tourelle MODE/SYNC avec la configuration par défaut EVAL-LTC3313EV-A-Z. Cette carte d'évaluation réduit les EMI conduites via le filtre EMI qui peut être inclus en appliquant la tension d'entrée à la borne EMI VIN.Le LTC3313 est un convertisseur abaisseur CC-CC monolithique à fréquence constante et mode courant. Ce convertisseur CC-CC prend en charge une tension de sortie (VOUT) de 0,5 V à la tension d'entrée (VIN) avec des fréquences de fonctionnement de 500 kHz à 5 MHz. La technologie Silent Switcher sur le convertisseur CC-CC optimise les boucles de courant rapide et facilite la réduction des émissions EMI et CEM.
Caractéristiques
- Circuit transitoire inclus pour l'évaluation de charge transitoire
- Filtre EMI inclus pour réduire le bruit dans les tests d'émission EMI
- Option d'élévation de broche MODE pour l'évaluation du mode saut d'impulsion
Caractéristiques techniques
- Plage de tension d'entrée de 2,25 V à 5,5 V
- Plage de tension de sortie de 1,176 V à 1,224 V
- Courant de sortie de 15 A
- Plage de fréquence de commutation de 1,8 MHz à 2,2 MHz
- Rendement de 92,5 %
Diagramme schématique
Ressources supplémentaires
Publié le: 2023-03-05
| Mis à jour le: 2023-03-07
