Analog Devices Inc. Carte d'évaluation ADRF5050-EVALZ

La carte d'évaluation ADRF5050-EVALZ d'Analog Devices est conçue pour évaluer les fonctionnalités et les performances du ADRF5050. L'ADRF5050 est un commutateur SP4T non réfléchissant fabriqué par un procédé silicium sur isolateur (SOI). L'ADRF5050-EVALZ d'Analog Devices permet une connexion simple à l'équipement à test et comprend une ligne complète supplémentaire d'étalonnage.

Caractéristiques

  • Carte d'évaluation totalement équipée pour l'ADRF5050
  • Connexion facile à l'équipement de test
  • Ligne complémentaire supplémentaire d'étalonnage

Applications

  • Instrumentation de test
  • Radios, radars et contre-mesures électroniques militaires (ECM)
  • Radios micro-ondes et bornes à très petite ouverture (VSAT)

Équipement nécessaire

  • Alimentations CC
  • Analyseur de réseau

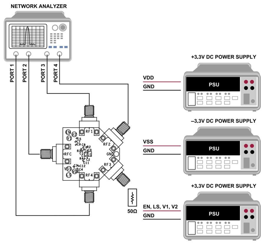
Configuration de test

Graphique - Analog Devices Inc. Carte d'évaluation ADRF5050-EVALZ

Configuration de carte

Plan mécanique - Analog Devices Inc. Carte d'évaluation ADRF5050-EVALZ
Publié le: 2025-09-15 | Mis à jour le: 2025-10-01