Analog Devices Inc. Commutateurs SP4T 44 GHz non réfléchissants ADRF5042/43 Si
Les commutateurs SP4T 44 GHz non réfléchissants ADRF5042/43 Si d'Analog Devices Inc. mettent en œuvre le processus d'isolation au silicium (SOI). L'ADRF5042 dispose d'une plage de fréquence de 100 MHz à 44 GHz, d'une perte d'insertion inférieure à 3,2 dB et d'une isolation supérieure à 35 dB. Le commutateur ADRF5042 dispose d'une capacité de traitement de puissance d'entrée RF de 24 dBm pour les chemins traversants et terminés.L'ADRF5042 d'ADI nécessite une double tension d'alimentation de +3,3 V et -3,3 V. Le composant utilise un transistor CMOS et basse tension aux commandes compatibles LVTTL (logique transistor). L'ADRF5042 a des commandes activées et de sélection logique pour équiper respectivement tous les ports miroirs et hors tension. L'ADRF5042 est compatible broche à broche avec la version à coupure basse fréquence ADRF5043, qui fonctionne de 9 kHz à 44 GHz.
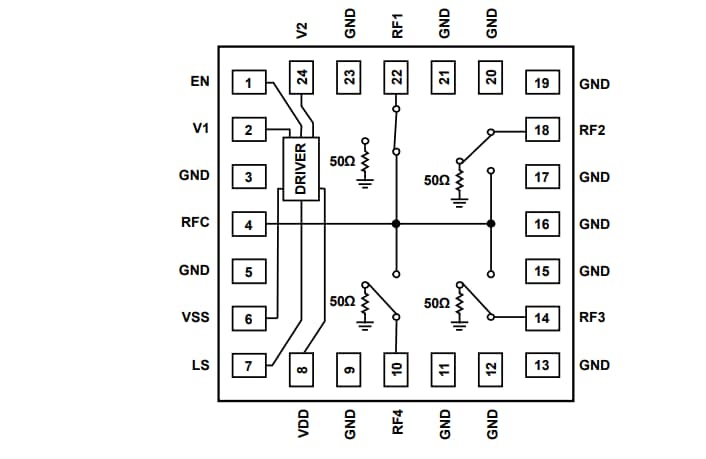
Le commutateur SP4T non réfléchissant en silicium ADRF5042 est disponible en boîtier LGA (land grid array) conforme RoHS, 3 mm x 3 mm et 24 bornes, avec une température de fonctionnement comprise entre -40 °C et +105 °C.
Caractéristiques
- Plage de fréquence ultra large bande 100 MHz à 44 GHz
- Conception 50 Ω non réfléchissante
- Faible perte d'insertion
- 1,8 dB jusqu'à 18 GHz
- 2,8 dB jusqu'à 40 GHz
- 3,2 dB jusqu'à 44 GHz
- Isolation élevée
- 50 dB jusqu'à 18 GHz
- 39 dB jusqu'à 40 GHz
- 35 dB jusqu'à 44 GHz
- Grande linéarité d'entrée
- P0,1 dB standard 26 dBm
- IP3 standard 47 dBm
- Gestion de puissance élevée
- Chemin traversant 24 dBm
- Chemin de terminaison 24 dBm
- Contrôle de l'état bloqué
- Commande de sélection logique
- Pas d'impulsions à basse fréquence
- Temps de stabilisation 30 ns (sortie RF finale 0,1 dB)
- Boîtier LGA (land grid array) à 24 bornes, 3 mm x 3 mm
- Brochage compatible avec ADRF5043, version à coupure de fréquence faible
Applications
- Lecteurs industriels
- Instrumentation de test
- Infrastructure cellulaire - ondes millimétriques (mmWave) 5G
- Radios militaires, radars, contre-mesures électroniques (CME)
- Radios micro-ondes et microterminaux VSAT
Schéma fonctionnel
Vidéos
Publié le: 2020-09-23
| Mis à jour le: 2024-11-11
