Analog Devices Inc. Capteur de position multi-tour véritable sous tension ADMT4000
Le capteur de position multi-tour véritable sous tension ADMT4000 d'Analog Devices est un capteur magnétique de comptage de tours capable d'enregistrer le nombre de rotations d'un système magnétique même lorsque le dispositif est mis hors tension. Lors du démarrage, le dispositif peut être interrogé pour indiquer la position absolue du système via l'interface périphérique série (SPI). L'ADMT4000 d'Analog Devices compte jusqu'à 46 tours d'un champ magnétique externe, incrémentant la position absolue dans le sens des aiguilles d'une montre.Caractéristiques
- Compteur multi-tour véritablement sous tension
- capteur magnétique 46-turn
- Comptage positif dans le sens des aiguilles d'une montre à partir de la réinitialisation magnétique
- Sortie numérique > 16 k°
- Précision de ±0,25°
- Taux de mise à jour des mesures de 100 kSPS
- Plage de fonctionnement de 16 mT à 31 mT
- Capteur de température interne
- Alimentation CI de 3,3 V
- Interface SPI de 1,8 V à 5 V
- Plage de température de jonction de -40 °C à +150 °C
- Boîtier TSSOP à 24 broches
Applications
- Détection et stockage du nombre de tours sans alimentation
- Mesure de position absolue sans contact
- Contrôle et positionnement du moteur à CC brushless
- Commande d'actionneur et positionnement
Vidéos
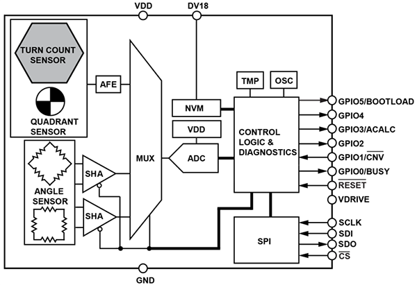
Schéma fonctionnel
Carte d'évaluation
Ressources
Publié le: 2022-11-09
| Mis à jour le: 2025-09-30
