Analog Devices Inc. ADL8111 10MHz to 8GHz Bypass Amplifiers
Analog Devices Inc. ADL8111 10MHz to 8GHz Bypass Amplifiers integrates quad-throw (SP4T) non-reflective switches allowing multiple gain and linearity values. The ADL8111 Amplifiers offer a gain of 12.5dB that is stable over frequency, temperature, power supply, and from device to device.Analog Devices ADL8111 features a low noise figure of 2.8dB with a high output third-order intercept (OIP3) of 34dBm simultaneously, enabling a high dynamic range. High input intercept performance and distortion prevention on high signal level applications are offered by the addition of switches. The ADL8111 10MHz to 8GHz Bypass Amplifiers are fully specified for operation across a wide temperature range of -40°C to +85°C, and a high electrostatic discharge (ESD) rating of ±750V (Class 1B). The device is available in a 6mm × 6mm, 28-terminal land grid array (LGA) package.
Features
- 12.5dB typical small signal gain from 10MHz to 500MHz
- 10MHz to 8000MHz broad operation
- 34dBm typical OIP3 from 10MHz to 500MHz
- 17dBm typical output P1dB from 5000MHz to 8000MHz internal amplifier state
- 2.8dB typical noise figure from 10MHz to 500MHz
- 2dB typical low insertion loss for the internal bypass switch state from 10MHz to 500MHz
- -40°C to +85°C wide operating temperature range
- RoHS-compliant, 6mm × 6mm, 28-terminal LGA
- ±750V (Class 1B) ESD rating
Applications
- Military
- Test instrumentation
- Communications
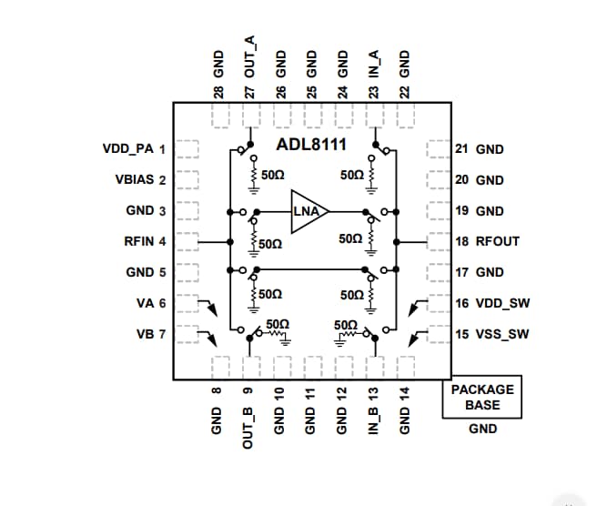
Block Diagram
Publié le: 2019-07-10
| Mis à jour le: 2024-03-05
