Analog Devices Inc. AD7606 16-Bit Data Acquisition Systems (DAS)

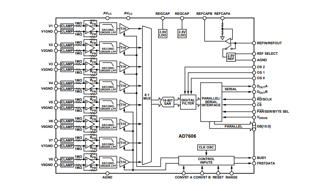
Analog Devices AD7606 16-Bit Data Acquisition Systems (DAS) offers eight, six, or four channels and operates from a single 5V supply. The AD7606 DAS includes analog input clamp protection, a second-order anti-aliasing filter, a track-and-hold amplifier, a 16-bit charge redistribution successive approximation analog-to-digital converter (ADC), a flexible digital filter, a 2.5V reference, and reference buffer, and high-speed serial and parallel interfaces. The device can accommodate ±10V and ±5V true bipolar input signals while sampling at throughput rates up to 200kSPS for all channels. The flexible digital filter is pin-driven, yields improvements in SNR, and reduces the 3dB bandwidth.

The AD7606 provides input clamp protection circuitry that can tolerate voltages up to ±16.5V. Additionally, the device has 1MΩ analog input impedance, regardless of sampling frequency. The need for driver op-amps and external bipolar supplies is eliminated with the single supply operation, on-chip filtering, and high input impedance. The device antialiasing filter has a 3dB cutoff frequency of 22kHz and allows 40dB anti-alias rejection when sampling at 200kSPS.

Features

  • 8/6/4 simultaneously sampled inputs
  • True bipolar analog input ranges: ±10V, ±5V
  • Single 5V analog supply and 2.3V to 5V VDRIVE
  • Fully integrated data acquisition solution
    • Analog input clamp protection
    • Input buffer with 1MΩ analog input impedance
    • Second-order antialiasing analog filter
    • On-chip accurate reference and reference buffer
    • 16-bit ADC with 200kSPS on all channels
    • Oversampling capability with digital filter
  • Flexible parallel/serial interface
    • SPI/QSPI™/MICROWIRE™/DSP compatible
  • Performance
    • 7kV ESD rating on analog input channels
    • 95.5dB SNR, -107dB THD
    • ±0.5LSB INL, ±0.5LSB DNL
    • Low power: 100mW
    • Standby mode: 25mW
  • Temperature range of -40°C to +85°C
  • 64-lead LQFP package

Applications

  • Power-line monitoring and protection systems
  • Multiphase motor control
  • Instrumentation and control systems
  • Multiaxis positioning systems
  • Data acquisition systems (DAS)

Additional Resources

Improve System Level Performance and Robustness in Power Line Monitoring

The AD7606B integrates, on-chip, eight individual signal chains that accept either ±10V or ±5V true bipolar analog input signals despite working from a single 5V supply. These features eliminate the need for driver op amps and external bipolar supplies.

Learn More

FUNCTIONAL BLOCK DIAGRAM

Block Diagram - Analog Devices Inc. AD7606 16-Bit Data Acquisition Systems (DAS)
Publié le: 2019-04-03 | Mis à jour le: 2026-03-16