Amphenol Aerospace Dual-Channel Fiber Protocol Media Converters
Amphenol Aerospace Dual-Channel Fiber Protocol Media Converters are designed to convert two channels of 1G or 10G-Base-T copper Ethernet to fiber optic protocols. These media converters set the fiber speed based on the fastest speed auto-negotiated on the copper side, providing flexibility to be either 1G-Base-T or 10G-Base-T. A stand-alone adapter is available for integrating with other platforms. Amphenol Aerospace Dual-Channel Fiber Protocol Media Converters work with a 28V power supply, 5W maximum. The copper / fiber converter modules are ideal for sensor systems, harsh environments, avionics, ground systems, and naval applications.Features
- Expandable from 1G to 10G speeds
- -40°C to +85°C operating temperature range
- Conduction cooled
- -3dBm minimum fiber optic output power
- -13dBm minimum fiber optic receive sensitivities
- Stand-alone adapter for integrating systems
- 28V power supply, 5W maximum
- Auto-negotiated copper protocols can be either 1G-Base-T or 10G-Base-T compliant with IEEE 802.3an standards
- Fiber protocols can be 1G-Base-SX and 10G-Base-SR compliant with industry standards
Applications
- Ground systems
- Naval
- Sensor systems
- Harsh environment avionics
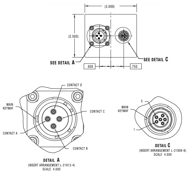
Line Drawing A
Line Drawing B
Publié le: 2018-08-30
| Mis à jour le: 2022-08-04
