![]() |
Ordinateurs monocartes ADLINK CM1-BT1 PC/104 |
|
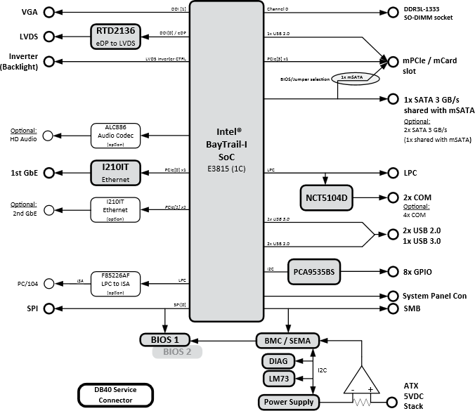
Les ordinateurs monocartes ADLINK CM1-BT1 PC/104 sont basés sur un système de processeur sur puce Intel Atom à cœur simple ou double avec jusqu'à 4 Go de mémoire RAM DDR3L RAM fonctionnant à 1 333 MHz. Le CM1-BT1 prend en charge des sorties VGA et LVDS, Gigabit Ethernet, 1x SATA, 1x USB 3.0, 2x USB 2.0 et 8x GPIO. Cet ordinateur monocarte est conçu pour des environnements difficiles avec des températures d'utilisation comprises entre -40 °C et 85 °C. Il prend également en charge des fonctions SEMA (agent de gestion intelligent embarqué) Caractéristiques
|
Schéma de principe![]() |
Processeurs Intel Atom E3800La gamme de processeurs Intel Atom E3800 représente le premier système sur puce (SoC) pour les systèmes intelligents, qui offre des capacités de calcul, graphiques et médias exceptionnelles tout en fonctionnant dans une plage étendue de conditions thermiques. Ses points forts sont notamment une connectivité E/S élevée, un contrôleur mémoire intégré, la virtualisation, la correction ECC (Error Correcting Code) des erreurs, ainsi que des fonctionnalités de sécurité intégrées avec une plage d'enveloppe thermique (TDP) comprise entre 5 W et 10 W. Cette famille de produits est idéale pour des travaux d'imagerie efficaces, la signalétique numérique avec diffusion de contenus sécurisés, les clients interactifs visuellement attrayants : kiosques interactifs, distributeur intelligent, distributeurs bancaires et terminaux points de vente (PDV), les dispositifs médicaux portables, les systèmes de contrôle industriel et les systèmes d'info-divertissement embarqués (IVI). |
![]() |
Publié le: 2014-11-05
| Mis à jour le: 2022-03-11






Fiche technique