ABLIC S-1318 Series LDO Voltage Regulators
ABLIC S-1318 Series LDO Voltage Regulators are positive voltage regulator ICs developed using CMOS technology. These regulators feature super low current consumption of 95nA (typical), low-dropout voltage, built-in overcurrent protection circuit, and a high-accuracy output voltage of ±1.0%. ABLIC S-1318 voltage regulators are most suitable for use in portable equipment and battery-powered devices.Features
- 95nA (typical) current consumption during operation
- 2nA (typical) current consumption during power-off
- 100mA possible output current
- Built-in overcurrent protection circuit
- Limits overcurrent of an output transistor
- Built-in ON/OFF circuit
- Ensures long battery life
- Low dropout voltage of 45mV (typical)
- Input voltage range of 1.7V to 5.5V
- Output voltage range of 1.2V to 3.3V
- A high-accuracy output voltage of ±1%
- -40°C to +85°C operating temperature range
- Lead-free and halogen-free
Applications
- Battery-powered device
- Portable communication device
- Digital camera
- Digital audio player
- Home electronic appliance
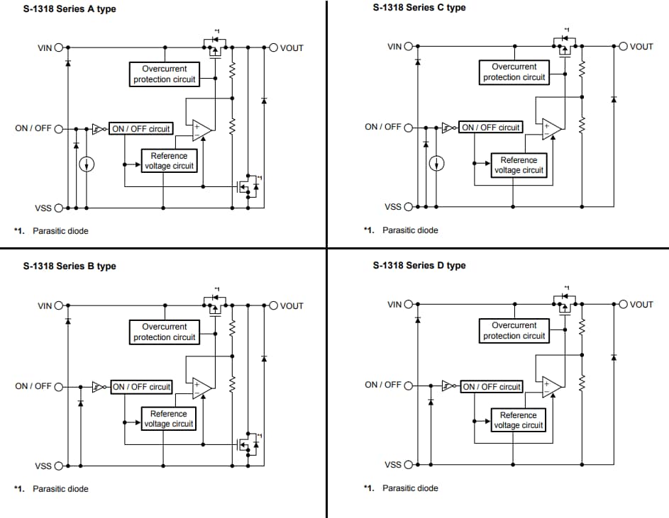
Block Diagrams
Publié le: 2018-11-09
| Mis à jour le: 2022-07-18
